onsemi NCP81568开关稳压器
安森美NCP81568开关稳压器是一款具有SVID接口的单相稳压器,用于计算应用。该开关稳压器是一款高性能、低偏置电流、单相单轨稳压器,集成了功率MOSFET。NCP81568稳压器设有超低失调IOUT 监控器,具有DCR检测和差分远程输出电压检测功能。该器件能够在可调输出上提供高达20.25A TDC和40AICCMAX 输出电流。NCP81568稳压器配有超低失调电流监控器放大器,具有可编程失调补偿功能,用于高精度电流监控。该稳压器采用QFN48、6mm x 6mm、0.4mm间距封装,是一款无铅器件。NCP81568开关稳压器非常适合用于台式电脑、笔记本电脑和超极本电脑。特性
- 高性能RPM控制系统
- Intel IMVP9.2协议
- 超低失调IOUT 监控器,具有DCR检测功能
- 差分远程输出电压检测
- 软瞬态控制可降低浪涌电流和音频噪声
- 动态VID前馈
- 外部可编程压降增益
- 输入电源电压前馈控制
- 内置过压、欠压和引脚可编程过流保护
- 零转速降能力
- 超声波操作
- 可编程工作频率
- QFN48、6mm x 6mm、0.4mm脚距封装
- 无铅设备
应用
- 台式电脑
- 掌上电脑
- 超极本电脑
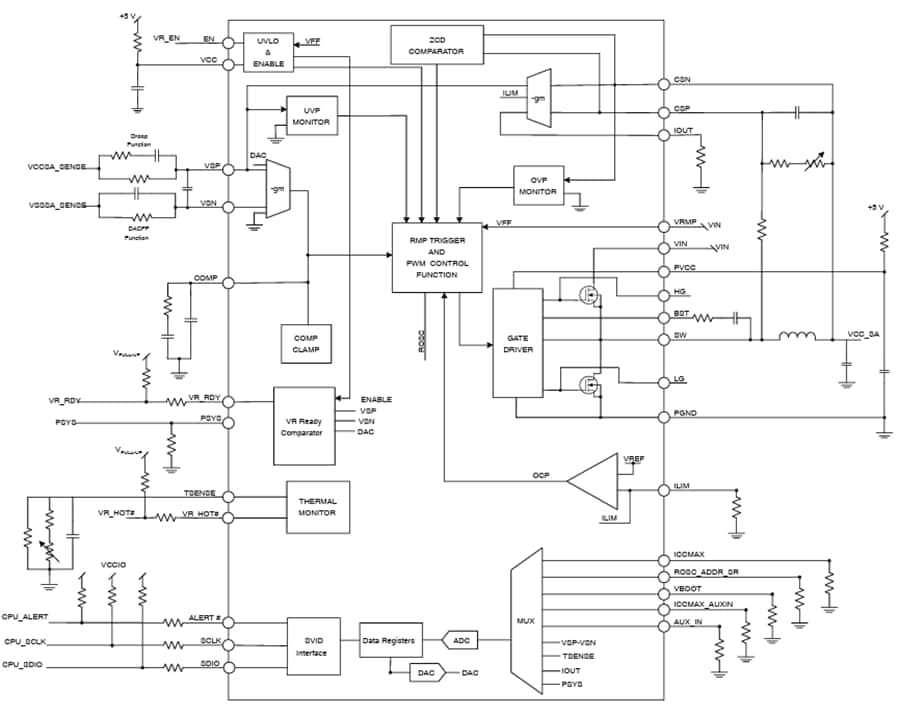
框图
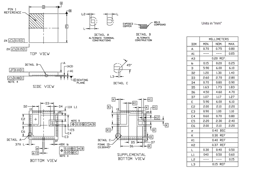
尺寸图
发布日期: 2025-01-31
| 更新日期: 2025-02-07
