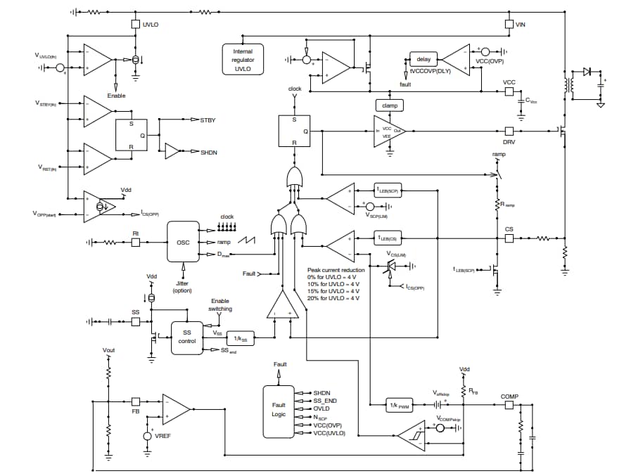
安森美 (onsemi) NCV12711电流模式PWM控制器集成了可编程软启动、输入电压UVLO保护和过功率保护 (OPP) 电路,可在输入电压增加时限制电路的总功率容量。此外,NCV12711还具有一整套保护特性,包括平滑频率增加的逐周期峰值电流限制和基于定时器的过载保护。所有保护特性均将控制器置于低静态故障模式,具有1s自动恢复周期,在故障消除时让系统恢复。
特性
- 宽VCC输入范围(4V至45V)
- 内部7.5V稳压器
- 电流模式控制,带可调节斜率补偿
- 空载条件下0%占空比运行
- 内部过功率保护
- 单电阻可编程振荡器(100kHz至1MHz)
- 按峰值电流和频率调节的软启动
- 带迟滞的可编程输入电压UVLO
- 用于外部禁用的关闭阈值
- 通过30ms过载定时器实现过载保护
- 内部运算放大器
- 故障自动恢复模式,自动恢复时间为1s
- ±1A拉电流/灌电流栅极驱动器
- 需要独特现场和控制变更要求的汽车和其他应用的NCV前缀;符合AEC-Q101标准并支持PPAP
应用
- 用于电动汽车的单端反激式和正激式转换器
- 汽车级4V至45V输入直流/直流控制器,用于辅助电源
框图
应用原理图
发布日期: 2022-08-22
| 更新日期: 2022-10-13

