onsemi NCV57001F IGBT栅极驱动器
安森美 (onsemi) NCV57001F IGBT栅极驱动器是一款大电流单通道IGBT驱动器,具有内部电流隔离功能,设计用于提高系统效率和可靠性。此栅极驱动器具有互补输入、开漏故障和就绪输出、有源米勒钳位、精确UVLO、DESAT保护和DESAT软关断等特性。安森美 (onsemi) NCV57001F IGBT栅极驱动器可在输入侧提供5V和3.3V信号,在驱动器侧提供较宽的偏置电压范围,包括负电压能力。此栅极驱动器具有>5kVrms(符合UL1577标准)电流隔离和1200Viorm(工作电压)功能。典型应用包括汽车电源、混合动力/电动汽车 (HEV/EV) 动力传动系统、BSG逆变器和正温度系数 (PTC) 加热器。特性
- 在IGBT米勒平坦电压下具有大电流输出 (4A/-6A)
- 低输出阻抗,用于增强型IGBT驱动
- 传播延迟时间短,具有精确匹配
- 有源米勒钳位,防止杂散栅极导通
- DESAT保护,带可编程延迟
- IGBT短路电路期间软关断:550ns(典型值)
- 短路期间的IGBT栅极钳位
- IGBT栅极有源下拉
- UVLO阈值小,实现偏置灵活性
- 宽偏置电压范围,包括负VEE2
- 输入电源电压范围:3.3V至V
- 5000V电流隔离(以满足UL1577要求)
- 1200V工作电压(符合VDE0884-10要求)
- 高瞬态抗扰度
- 高电磁抗扰度
- 该器件无铅、无卤/无BFR,符合RoHS指令
- 符合AEC-Q100标准并具有PPAP功能
应用
- 汽车用电源
- HEV/EV传动系统
- BSG逆变器
- PTC加热器
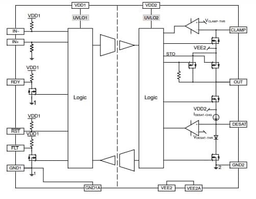
框图
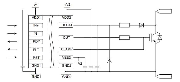
简化应用电路
发布日期: 2020-06-02
| 更新日期: 2024-06-10
