onsemi NCV7390 CAN接口集成电路
安森美 (onsemi) NCV7390 CAN接口集成电路是按照国际标准ISO11992-1而设计的系统。该收发器集成电路提供点对点连接,用于牵引车辆与被牵引车辆或其他类似汽车应用之间的串行数据交换。NCV7390收发器是控制器局域网 (CAN) 协议控制器和物理总线之间的接口。该设备提供差分发射能力,但在出现错误条件时允许切换到单线发射器和/或接收器。NCV7390接口IC适用于12V和24V电池系统应用。该CAN接口集成电路具有低电磁发射 (EME) 和高电磁敏感性、接地移位稳健性以及热保护功能。NCV7390接口IC通过了AEC-Q100认证、符合PPAP要求,且无铅。该IC非常适合车载网络、汽车以及卡车与拖车之间的接口。特性
- 专为符合国际标准ISO 11992-1的系统要求而设计
- 适用于12V和24V电池系统应用
- 错误检测电路和电线操作能力
- 低电流消耗和总线唤醒功能的睡眠模式
- VCC 引脚允许与3V至5V微控制器连接
- 低电磁发射 (EME) 和高电磁敏感性
- 接地移位稳健性
- 在所有供电条件下,该芯片的行为可预测
- 热保护
- 符合AEC-Q100标准并具有PPAP功能
- 无铅器件
应用
- 汽车
- 卡车与拖车之间的接口
- 车载网络
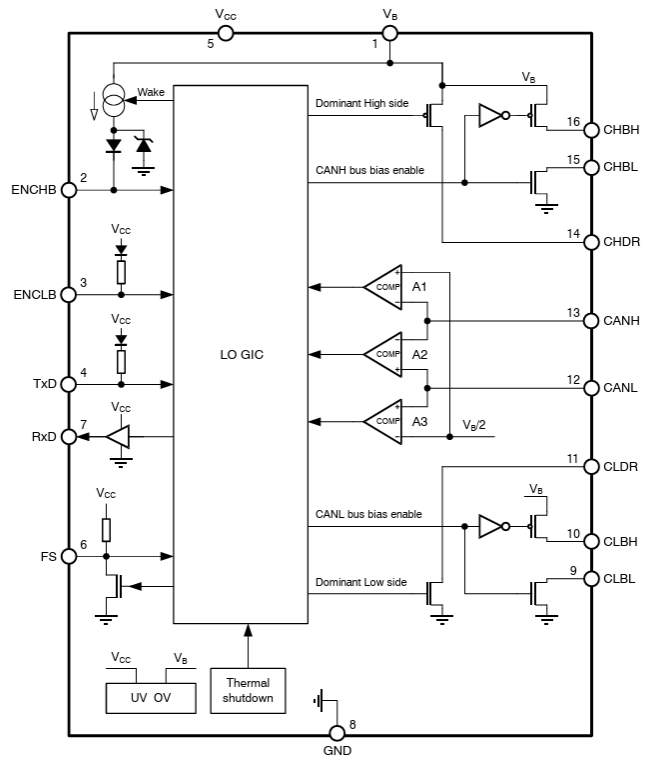
方框图
发布日期: 2025-07-08
| 更新日期: 2025-07-15
