onsemi NCV75215超声波测量ASSP
安森美 (onsemi) NCV75215超声波泊车距离测量专用标准产品(ASSP) 旨在通过提供精确的障碍物距离测量,增强车辆泊车辅助系统。安森美 (onsemi) NCV75215利用压电超声波变送器,在高灵敏度和低噪声下工作,可检测0.25m到4.5m的障碍物。该器件以可编程频率驱动换能器,并处理接收的回波,通过飞行时间 (TOF) 测量确定与障碍物的距离。该元件具有可调增益控制、可闻噪声监控以及用于传感器性能的诊断功能。此外,NCV75215还包括用于配置设置和用户数据的EEPROM存储器,确保可靠和可定制的操作。此ASSP非常适合汽车泊车辅助应用,提供准确可靠的距离测量,以提高泊车过程中的安全性和便利性。特性
- 测量距离范围:0.25 m至4.5 m(取决于外部部件)
- 噪声监控
- 换能器谐振周期测量
- 变送器性能诊断
- 结温监控和热关断
- 变送器中心频率范围:35 kHz至90 kHz
- 直接和间接测量模式
- 用于配置设置和用户数据的EEPROM存储器
- 可调Rx增益范围:50 dB至110 dB(0.5 dB步进)
- 用于灵敏度控制的时间相关阈值
- 动态(取决于时间)增益控制
- 可调Tx电流范围:50 mA至350 mA
- 可编程超声波突发长度
- 片上双向I/O线路
- 小型 TSSOP16 封装
- 符合AEC-Q100标准并具有PPAP功能
- 无铅,符合RoHS指令
应用
- 汽车泊车辅助
- 汽车紧急制动器
- 汽车盲点检测
- 超声波距离测量
规范
- 电源电压范围为6VDC至18VDC
- 最大总电源电压电流消耗
- 正常模式下为8 mA,无传输
- 低功耗模式下为1 mA
- 从低功耗模式到正常模式的最长唤醒时间为1 ms
- 接收器放大器
- 输入电阻:87 kΩ(典型值)
- 典型输入电容:100 pF
- 可编程接收器增益:50 dB至110 dB
- 接收器增益步进:0.5 dB(典型值),127步进
- 35 kHz至90 kHz带宽
- 换能器驱动器
- 可编程发射器电流范围:50 mA至350 mA
- 发射器电流步进:4.76 mA(典型值),63步进
- 发射器电流容差:±20%
- 内部振荡器频率:9.7 MHz至10.3 MHz
- EEPROM
- 最短数据保留时间:15年
- 写入耐久性:100次(最小值)
- 刷新/读取耐久性:100万次
- 最大ESD能力
- 2 kV人体模型 (HBM)
- 500 V充电器件模型 (CDM),所有引脚
- 750 V充电器件模型 (CDM),角引脚
- 最大闭锁抗扰度
- 200 mA 下 +25 °C
- 100 mA 下 +125 °C
- 结点-空气热阻:135°C/W
- 温度
- 最大结温:+125 °C
- 引线焊接:+260 °C(最大值)
- 偏置条件下环境范围:-40 °C至+85 °C
- 偏置情况下结温范围:-40 °C至+125 °C
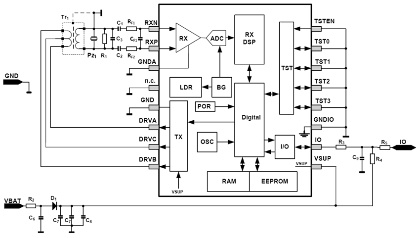
应用电路原理图
I/O线路驱动器结构/外部网络
发布日期: 2025-04-29
| 更新日期: 2025-12-04
