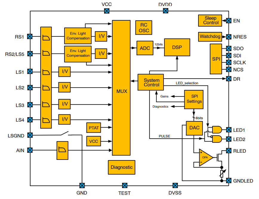
安森美NCV76124信号调理传感器具有简单的SPI控制功能,只需极少的软件开销。此器件提供更多具有高动态范围的传感器通道,为现代车辆构建高性能安全解决方案。
特性
- 通过可编程增益跨阻抗放大器 (TIA) 将雨水和光传感器光电二极管电流转换为电压
- 用于两个外部LED的受控脉冲电流幅度
- 定期测量4个(可选5个)光传感器信号
- 通过环境光消除电路定期测量2个(可选1个)雨水传感器信号
- 雨水信道环境光测量
- 芯片温度测量
- 上电复位和看门狗功能
- 待机和睡眠模式,电流消耗低
- 片上振荡器,用于系统时钟
- SPI 接口
- 诊断电路符合ASIL-B标准
- 雨水信道符合ASIL-A标准
- 需要独特现场和控制变更要求之汽车及其他应用的NCV前缀;符合AEC-Q100标准并支持PPAP功能
- 无铅,符合RoHS指令
应用
- 雨刮器用雨水传感器
- 环境光传感器
- 前照明
- 平视显示器
典型应用原理图
框图
发布日期: 2025-04-22
| 更新日期: 2025-04-29

