NCV7718B/C六路半桥驱动器采用24引脚收缩小尺寸封装 (SSOP),有标准和裸露焊盘型号可供选择。该器件符合AEC−Q100标准并具有PPAP功能,适用于汽车应用。
特性
- 在睡眠模式下具有低静态电流
- 高侧和低侧驱动器以半桥配置连接
- 集成高侧和低侧续流保护
- 峰值电流:0.55A
- RDS(on) = 1Ω(典型值)
- SPI控制:5MHz
- 兼容3.3V和5.0V系统
- 欠压和过压闭锁
- 可区分的故障报告
- 过流保护
- 超温保护
- 欠载检测 (LS)
- 与多个8位器件菊花链兼容
- 16位帧检测
- 可用的SSOP-24封装选择:
- NCV7718B、NCV7718C:裸露焊盘封装
- NCV7718C:标准封装
- 符合AEC-Q100标准并具有PPAP功能
- 无铅
应用
- 汽车
- 工业
- 面向HVAC应用的直流电机管理
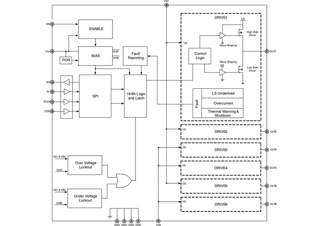
框图
典型应用电路
发布日期: 2019-09-03
| 更新日期: 2024-02-28

