特性
- 在睡眠模式下具有低静态电流
- 高侧和低侧驱动器以半桥配置连接
- 集成续流保护(LS和HS)
- 500 mA典型电流和1.1 A峰值电流
- R DS(on) :0.8Ω(典型值)
- OUT1和OUT2外部PWM控制
- 5MHz SPI通信
- 16位帧错误检测
- 菊花链兼容多个8位设备
- 与3.3V和5V系统兼容
- 欠压和过压锁定
- 每通道故障报告
- 过流保护
- 过温保护
- 欠载检测(HS和LS)
- 裸露焊盘封装
- NCV前缀,适用于需要独特现场和控制变更要求的汽车及其他应用
- 符合 AEC-Q100
- 支持PPAP
- 无铅设备
应用
- 汽车
- 工业
- 暖通空调直流电机管理
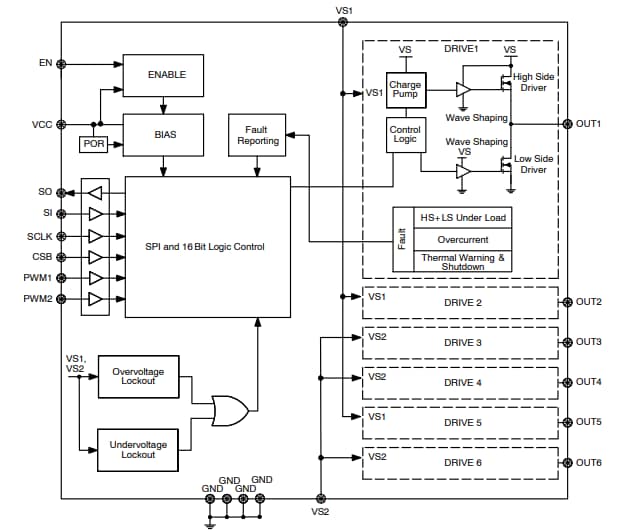
框图
应用电路图
发布日期: 2020-05-22
| 更新日期: 2024-05-22

