特性
- 在睡眠模式下具有低静态电流
- 高侧和低侧驱动器以半桥配置连接
- 集成续流保护(LS和HS)
- 500 mA典型电流
- 峰值电流:1.1 A
- RDS(on) :0.8Ω(典型值)
- OUT1和OUT2外部PWM控制
- 5MHz SPI通信
- 16位帧错误检测
- 与多个8位器件菊花链兼容
- 兼容3.3V和5V系统
- 欠压和过压闭锁
- 每通道故障报告
- 过流保护
- 过温保护
- 欠载检测(HS和LS)
- 裸露焊盘封装
- NCV前缀,适用于需要独特现场和控制变更要求的汽车及其他应用
- 符合 AEC-Q100
- 支持PPAP
- 无铅设备
应用
- 汽车
- 工业
- 面向HVAC应用的直流电机管理
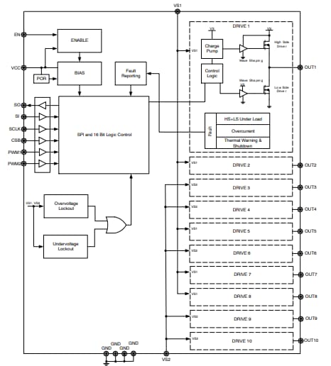
框图
典型应用电路
发布日期: 2020-05-20
| 更新日期: 2024-06-06

