onsemi NCV7755八通道高侧驱动器

安森美NCV7755八通道高侧驱动器是一款汽车级集成驱动器,提供八个高压侧开关。NCV7755具有每通道700mA的驱动能力,并提供过载和过温保护功能。每个通道都集成有输出钳位,用于切换电感负载和灯泡的多个启动脉冲。此外,钳位电路可以映射到两个用于LED负载的内部PWM发生器。该器件实现了用于输出控制和诊断报告的SPI。此外,INx引脚可映射到任何输出端,进行直接控制。专用limp-home功能可通过逻辑输入引脚对两个高侧驱动器进行运行控制。

为优化热性能,安森美NCV7755采用SSOP-24裸露焊盘封装。

特性

  • 8个高侧通道
    • 用于继电器(反激钳位)
    • 灯泡(多脉冲浪涌方案)
    • LED(内部PWM生成器)
    • 峰值电流:2.3A(最大值)
    • RDS(on) :0.9Ω(典型值)、1.8Ω(最大值)
    • 允许并联两个输出对
  • SPI控制(16位)
    • 帧错误检测(16位 + 8n位)
    • 具有菊花链功能
  • 两个输入引脚,并为PWM操作提供映射
  • 睡眠模式下的静态电流
  • Limp Home模式,具有自动重试功能
  • 在VS上支持最低3V起动电压
  • 3.3V和5V兼容数字输入电源范围
  • 故障报告
    • 开路负载(关闭或打开)
    • 过载
    • 过热
    • 电源故障(VS,VDD 欠压)
    • 输出接地和电池短路
  • 反转极性保护
  • 接地失效保护
  • 通电复位 (VDD)
  • SSOP-24,带裸露焊盘
  • 汽车用NCV前缀
    • 现场和变更控制
    • 符合AEC−Q100标准

应用

  • 汽车车身控制单元
  • 汽车发动机控制单元
  • 继电器驱动器
  • 灯泡驱动器
  • LED驱动器

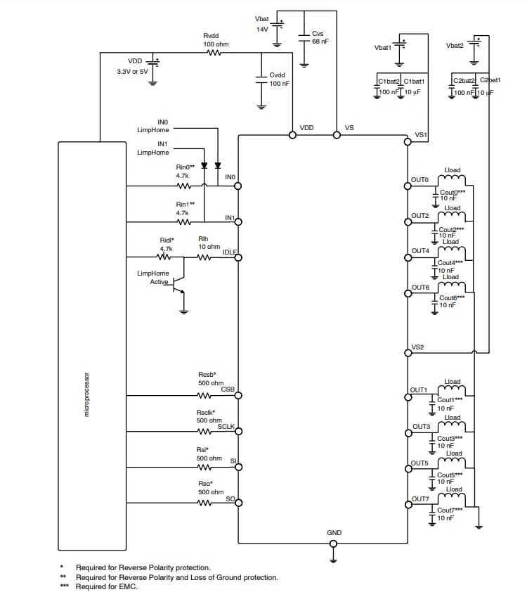
应用示意图

应用电路图 - onsemi NCV7755八通道高侧驱动器

框图

框图 - onsemi NCV7755八通道高侧驱动器
发布日期: 2023-01-30 | 更新日期: 2023-08-08