一个像素控制器器件可控制多达12个像素每像素1个或2个1.4A的LED。LED灯串最大电压必须限制在60V。要控制12个以上的像素时,可在单个系统中组合多个像素控制器。
安森美NCV78343使用两个通信接口与微控制器 (MCU) 连接。通用异步接收器发射器 (UART) 支持本地连接或与MCU连接的CAN收发器信号和多点低压差分信号 (M-LVDS)。
特性
- 符合AEC-Q100标准并具有PPAP功能
- 单芯片,兼容IMS板(单层)
- 12个集成开关具有多种配置选项
- 极少的外部元件
- 与像素光ECU的通信接口:
- 集成M-LVDS
- 经CAN接口的UART
- M-LVDS和UART之间搭的集成桥
- 支持多达32个器件,波特率为1M
- 无需本地MCU和精确时钟
- 接口到外部I2CEEPROM
- 集成8位模数转换器 (ADC)
- 调光控制器,每通道PWM + 相移单元
- 过热保护
- 单独的LED开路/短路/过压诊断反馈
- LED开路故障自动旁路
- SSOP36 EP封装
- 无铅器件
应用
- 动态自适应驱动光束功能
- 无眩光远光灯
- 静态旋转
- 波束整形
- 光功率调节
- 信号灯上的动画欢迎功能
- 雨刮转向灯
规范
- 电池电源电压范围:4.5V至40V
- 开关差分电压范围: 0V至10V
- LED灯串电压范围:0V至60V
- 最大降压开关输出电流:1.4A
- PXN通信速率范围:125kb至1000kb
- 环境温度范围:-40 °C至+125 °C
- 结点至裸露焊盘热阻:3.5°C/W(典型值)
- ESD额定值
- ±2 kV人体模型 (HBM)
- ±500V充电器件模型 (CDM)
应用示意图
框图
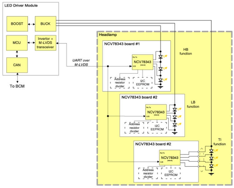
系统架构
NCV78343支持两个通信接口:UART和M-LVDS。两个接口均可用于通信。第一个示例使用经CAN物理层的UART接口作为从LED驱动器模块到第一个NCV78343芯片的主总线,使用M-LVDS总线作为每个功能灯(例如远光灯、近光灯、转向指示灯)子模块之间的本地连接。第二个示例仅使用M-LVDS总线。
使用CAN−FD和M-LVDS
仅使用M-LVDS
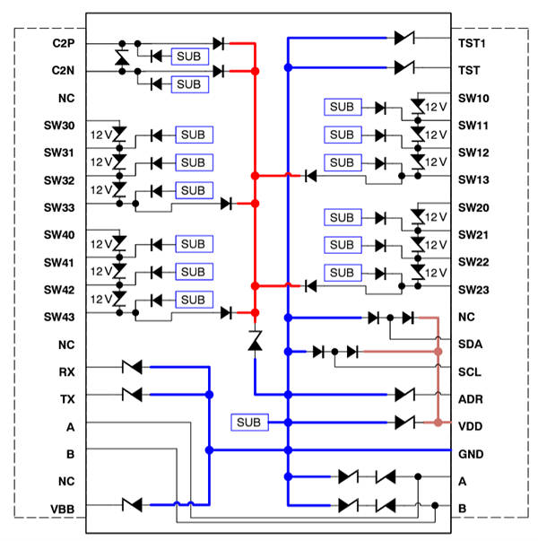
ESD保护原理图
发布日期: 2024-10-22
| 更新日期: 2024-11-07

