特性
- 符合NVIDIA® OVR4+规范
- 最多支持4个阶段
- 电源良好输出
- 欠压保护 (UVP)
- 过压保护 (OVP)
- 过流保护 (OCP)
- 每相过流保护
- 启动预充电负载,同时避免错误OVP
- 可配置的自适应电压定位 (AVP)
- 高性能运算误差放大器
- 每相的真差分电流平衡检测放大器
- 相间动态电流平衡
- 当前模式双边缘调制,用于对瞬态负载做出快速初始响应
- 节能接口 (PSI)
- 通过用户可设置阈值自动切相
- PWM_VID和I2C控制接口
- 紧凑型40引脚QFN可湿性侧翼封装
- 湿度灵敏性等级 (MSL) 1级
- 符合AEC-Q100 2级标准
- 无铅、无卤素、无BFR且符合RoHS指令
应用
- 汽车
- GPU和CPU电源
规范
- VRMP
- 电源电压范围:4.5V至20V
- UVLO范围:3V至4.2V
- UVLO迟滞:800mV(典型值)
- 偏置电源
- 电源电压范围:4.6V至5.4V
- VCC静态电流
- 使能低电平时的最大值:40µA
- 4相运行的典型值:32mA
- 1相DCM运行的典型值:10mA
- UVLO阈值范围:4V至4.5V
- UVLO迟滞典型值:200mV
- 开关频率
- 250kHz至1.2MHz范围(4x相位)
- 810kHz时精度为±4%,所有范围内为±10%
- 使能输入
- 输入漏电流:±1.0µA
- 阈值范围:0.6V至1.2V
- DRON
- 输出电压范围:0.1V至3.0V
- 上升时间典型值:160ns
- 下降时间典型值:3ns
- 内部电阻
- 典型上拉电阻典型值:2.0kΩ
- 下拉电阻典型值:70kΩ
- PGOOD
- 最大输出低电压:0.4V
- 最大泄漏电流:0.2µA
- 最大输出电压初始化时间:1.5ms
- 输出电压斜坡时间范围:0.15ms至10ms(典型值)
- 保护特性
- UVP阈值:250mV至350mV,5µs延迟(典型值)
- OVP阈值:360mV至430mV,5µs延迟(典型值)
- 过流保护 (ILIM):9.5µA至10.5µA
- PWM输出
- 上升/下降时间:10ns
- 三态输出漏电流:±1.0µA
- 最短导通时间:12ns(典型值)
- 0%占空比(典型值):1.3V
- 100%占空比(典型值):2.5V
- PWM相角误差:±15°
- 相位检测定时器:1.1ms(典型值)
- 误差放大器
- 输入偏置电流范围:±400nA
- 开环增益:80dB(典型值)
- 开环单位增益带宽:20MHz(典型值)
- 转换速度:5V/µs(典型值)
- 输出电压范围:1V至3.5V
- 差分求和放大器
- 输入偏置电流范围:±400nA
- VSP输入范围:0V至2V
- VSN输入:±0.3V
- -3dB带宽:27MHz(典型值)
- 闭环直流增益:1V/V(典型值)
- 压降精度:78mV至82mV
- 输出电压范围:0.8V至3V
- 电流检测放大器
- 失调电压:±500µV
- 输入偏置电流:±7.5µA
- 开环增益:80dB(典型值)
- 电流检测单位增益:10MHz(典型值)
- CSCOMP输出电压范围:0.1V至3.5V
- 电流平衡放大器
- 输入偏置电流:±50nA
- 共模输入电压范围:0V至2V
- 差分模式输入电压范围:±100mV
- 闭环输入失调电压匹配:±1.5mV
- 电流检测放大器增益:5.7V/V(最小值),6.0V/V(典型值)
- 多相电流检测增益匹配:±3%
- -3dB带宽:8MHz(典型值)
- IOUT
- 输入基准失调电压:±3mV
- 输出电流最大值(典型值):200µA
- 电流增益范围:9.5A/A至10.5A/A
- 电压基准
- 范围:1.98V至2.02V
- 精度:1%(典型值)
- PSI
- 阈值范围:0.575V至1.45V
- 输入漏电流:±1µA
- PWM_VID缓冲器
- 阈值范围:0.575V至1.21V
- 开关频率:400kHz至5000kHz
- 输出上升/下降时间:3ns(典型值)
- 上升/下降沿延迟:0.5ns
- 传播延迟:8ns(典型值)
- 传播延迟误差:0.5ns(典型值)
- REFIN放电开关导通电阻:10Ω(典型值)
- I2C
- 输入电压范围:0.5V至1.7V
- 迟滞典型值:80mV
- 输出低电压:0.4V(最大值)
- 输入电流:±1µA
- 输入电容:5pF(典型值)
- 400kHz时钟频率
- 最短启动条件设置/保持时间:600ns
- 最短数据设置时间:100ns
- 最短数据保持时间:300ns
- 停止条件设置时间:600ns
- 工作温度范围:-40°C至+105°C
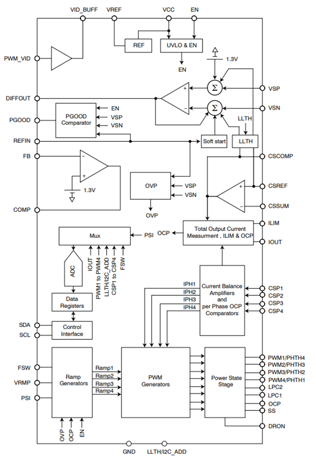
功能框图
发布日期: 2023-08-11
| 更新日期: 2023-10-25

