特性
- UL认证编号:209204 (UL1557)
- 650V 50A (NFAL5065L4BT)/75A (NFAL5065L4BT) 三相IGBT逆变器,具有集成栅极驱动器和保护功能
- 低损耗、短路额定IGBT (FS4)
- 采用Al2O3 DBC基板,热阻非常低
- 内置自举二极管和专用Vs引脚简化了PCB布局
- 将发射极开路引脚与低侧IGBT隔离以实现三相电流检测
- 单接地电源
- 集成NTC热敏电阻,用于温度监控与管理
- 通过集成式感应IGBT进行可调节过流保护
- 隔离等级:2500Vrms/分钟
- 符合RoHS指令
应用
- 暖通空调
- 交流感应
- 工厂自动化
- 机器人技术
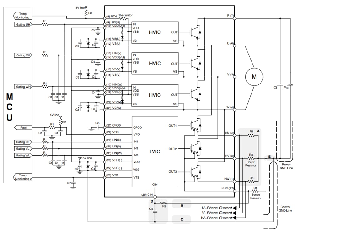
框图
典型应用电路
发布日期: 2019-09-10
| 更新日期: 2024-02-09

