特性
- 1200V、35A 3相FS7 IGBT逆变器,包括栅极驱动和保护用控制IC
- 采用Al2O3 DBC基板,热阻非常低
- 主动逻辑接口
- 内置欠压保护 (UVP)
- 内置自举二极管/电阻器
- 有单独的低侧IGBT发射极连接,用于每个相的单独电流检测
- 温度传感器(由LVIC提供的TSU输出)
- DIP39,31.0mm x 54.5mm封装
- E209204 UL认证
- 无铅
应用
- 工业驱动器
- 工业用泵
- 工业风扇
- 工业自动化
规范
- 典型电源电压:600V
- 控制电源电压范围:13.5V至16.5V
- 高侧偏置电压范围:13.0V至18.5V
- 控制电源变化:±1V/µs
- 最小消隐时间:2.0μs(防止臂短路)
- PWM输入信号范围:2.0kHz至20kHz
- 允许电流范围:18.2ARMS 至27.5ARMS
- 最小输入脉冲宽度:1.0µs至2.0μs
- 0.6Nm至0.9Nm封装安装扭矩,M3型螺钉
- 工作结温范围:-40°C至+150°C
- 逆变器
- 最大集电极-发射极漏电流:1mA至10mA
- 典型集电极-发射极饱和电压:1.6V至1.9V
- 典型正向电压:1.7V至1.8V
- 高侧开关时间范围:0.17µs至1.60µs
- 低侧开关时间范围:0.22μs至1.70µs
- 自举
- 二极管正向电流:2.1V至2.9V
- 内置限制电阻:12.5Ω至18.5Ω
- 控制特性
- 最大VDD电源电流
- 静态电流:0.3mA至2.0mA
- 工作温度范围:0.4mA至5.0mA
- 最大VBS电源电流
- 静态电流:0.3mA
- 工作温度:3.5mA
- 最大导通阈值电压:2.6V
- 最小关断阈值电压:0.8V
- 过流跳闸电平:0.46V至0.50V
- 电源电路欠压保护
- 检测等级:10.0V至12.5V
- 复位电平:10.5V至13.0V
- 电压输出:1.12mV至1.38mV(用于LVIC温度检测单元)
- 故障输出电压:0.95V至4.9V
- 典型故障输出脉冲宽度:2.4ms
- 最大VDD电源电流
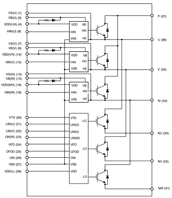
内部框图
其他资源
发布日期: 2023-12-18
| 更新日期: 2025-06-16

