onsemi NFL25065L4BT SPM® 2 32智能功率模块

安森美半导体NFL25065L4BT SPM® 2 32智能功率模块设计用于为消费类、医疗和工业应用提供功能全面、高性能的交错PFC(功率因数校正)输入功率级。该模块集成了经过优化的内置绝缘栅极双极晶体管 (IGBT) 栅极驱动器,能够最小化电磁干扰 (EMI) 和损耗。NFL25065L4BT具有多种模块内保护特性,包括欠压锁定、过流关断、热监控和故障报告。该器件还包括全波整流器和高性能输出碳化硅二极管,用于进一步节省空间、便于安装。

特性

  • UL认证编号:E209024 (UL1557)
  • 650V、50A两相交错PFC,集成栅极驱动器和保护
  • 采用Al2O3 DBC基板,热阻非常低
  • 低损耗场终止型第4代IGBT
  • 全波桥式整流器和高性能输出碳化硅升压二极管
  • 针对20kHz开关频率进行优化
  • 内置NTC热敏电阻,用于温度监控
  • 隔离等级:2500Vrms/分钟
  • 符合RoHS指令

应用

  • 2相交错PFC转换器(AC 200V级)
  • 商用暖通空调

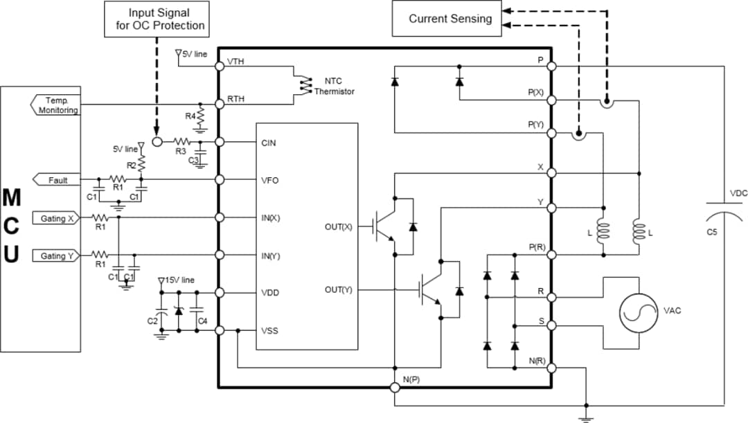
框图

框图 - onsemi NFL25065L4BT SPM® 2 32智能功率模块

典型应用电路

onsemi NFL25065L4BT SPM® 2 32智能功率模块
发布日期: 2019-09-10 | 更新日期: 2024-06-24