特性
- 宽VCCA 和VCCB 工作电压范围:0.9V至3.6V
- VCCA 和VCCB 相互独立,其中VCCA 可能大于、等于或小于VCCB
- 高电容驱动能力:100pF
- 速度快,确保140Mbps数据速率(VCCA 和VCCB > 1.8V)
- 较低的位对位偏移
- 过压容限使能和I/O引脚
- 非优先上电排序
- 部分断电保护
- UQFN-12、SOIC14、TSSOP14和QFN-14封装选项
- 带-Q后缀的用于汽车和其他要进行现场和控制变更的应用
- 符合AEC-Q100标准并具有PPAP功能
- 无铅、无卤/无BFR,符合RoHS指令
应用
- 智能手机
- 汽车仪表盘
- 汽车车身控制模块
- 信息娱乐系统
- 工业
- 汽车
- 电信
- 个人电子设备
典型应用电路
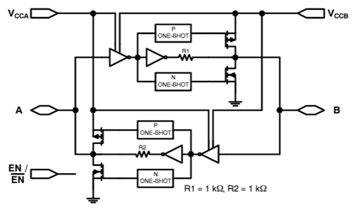
功能图(1条I/O线路)
逻辑图
发布日期: 2024-09-30
| 更新日期: 2025-02-04

