onsemi NTMFS003P03P8Z P沟道MOSFET

onsemi NTMFS003P03P8Z P沟道MOSFET是一种单通道、-30V MOSFET,尺寸为5mmx6mm,可节省空间并具有出色的热传导性能。这款P沟道MOSFET具有1.8mΩ的超低RDS(on),可提高系统效率和-234A漏极电流。NTMFS003P03P8Z P沟道MOSFET的工作结温和存储温度范围为-55°C至150°C。这款MOSFET无铅、无卤素/无溴化阻燃剂,符合RoHS规范。NTMFS003P03P8Z MOSFET适用于电源负载开关、反向电流保护、过压保护、反向负压保护和电池管理。

特性

  • 超低RDS(on),提高系统效率
  • ±25V栅极至源极电压(VGS
  • -30V漏极至源极电压(VDS
  • 先进的封装技术,5mmx6mm,节省空间,热传导效果极佳
  • 器件无铅、无卤素/溴化阻燃剂,并符合RoHS规范

应用

  • 电源负载开关
  • 保护:
    • 反向电流
    • 过压
    • 反向负电压
  • 电池管理

P沟道MOSFET

onsemi NTMFS003P03P8Z P沟道MOSFET

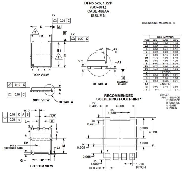
尺寸图

onsemi NTMFS003P03P8Z P沟道MOSFET
发布日期: 2025-02-04 | 更新日期: 2025-02-12