特性
- 漏极-源极电压 (VDSS):80V
- 栅极-源极电压 (VGS):±20V
- 漏极-源极导通电阻 (RDS(on))
- 8.6mΩ @ 10.0V
- 11.0mΩ @ 4.5V
- 连续漏极电流 (ID):64A
- 工作结温和储存温度范围(TJ,Tstg):-55°C至+175°C
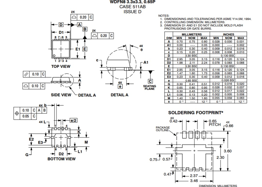
- 封装类型:WDFN-8
- 无铅,符合RoHS指令
应用
- 反向电池保护
- 电源开关(高侧驱动器、低侧驱动器、H桥)
- 同步整流
- 电机控制
封装外形
发布日期: 2019-09-06
| 更新日期: 2024-02-08

