onsemi NVHL060N065SC1 EliteSiC MOSFET
安森美(onsemi)NVHL060N065SC1 EliteSiC MOSFET是一款650V、60mΩ(典型值)、47A单N沟道MOSFET,采用紧凑、高效的设计 实现高的热性能。该MOSFET采用 全新的技术,与硅器件相比,具有更出色的开关性能和更高的可靠性。此外,低导通电阻和紧凑的芯片尺寸可确保低电容和低栅极电荷。NVHL060N065SC1功率MOSFET具有 高效率、更快的工作频率、更高的功率密度、更低的EMI以及更小的系统尺寸。该MOSFET符合AEC-Q101标准并具有PPAP功能。典型应用包括汽车车载充电器和电动汽车 (EV) 直流/直流转换器。特性
- 漏极-源极电压 (VDSS):650V
- 高速开关、低电容 (COSS = 133pF)
- 典型RDS(on)= 44mΩ(VGS= 18V时)
- 典型RDS(on):60mΩ(VGS= 15V时)
- 超低栅极电荷 (QG(tot)= 74nC)
- 符合AEC-Q101标准并具有PPAP功能
- 无铅,符合RoHS指令
- 100%经过雪崩测试
应用
- 汽车板载充电器
- 汽车直流/直流转换器(用于EV/HEV)
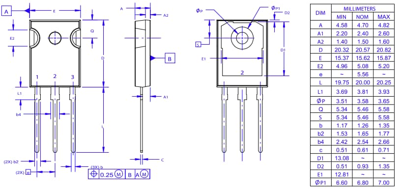
封装尺寸
发布日期: 2024-02-20
| 更新日期: 2024-07-15
