特性
- Small footprint
- Low RDS(on) to minimize conduction losses
- Low QG and Capacitance to minimize driver losses
- Wettable flank option for enhanced optical inspection
- AEC−Q101 qualified
- Pb−free
- Halogen-free/BFR free
- RoHS compliant
应用
- Solenoid drivers
- ABS
- Fuel injection
- Load switches
- ECU
- Chassis
- Motor control
- Wipers
- Fans
- Seats
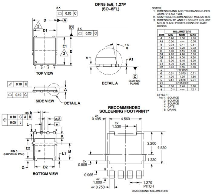
DFN5 (SO-8FL) Package Dimensions
WDFN8 Package Dimensions
发布日期: 2017-05-16
| 更新日期: 2025-11-11

