onsemi NVMYS3D8N04CL功率MOSFET

安森美(onsemi)NVMYS3D8N04CL功率MOSFET是一款单N沟道MOSFET,设计用于高效的紧凑型设计,具有较高的散热性能。该功率MOSFET的漏极-源极电压为40V,漏极电阻为3.7mΩ,连续漏极电流为87A。NVMYS3D8N04CL N沟道MOSFET符合AEC-Q101标准并具有PPAP功能,适用于需要增强板级可靠性的汽车应用。该器件无铅,符合RoHS指令。NVMYS3D8N04CL非常适用于电池反向保护电源开关、开关电源、电磁阀驱动器、电机控制和负载开关。

特性

  • 5mmx6mm小尺寸,设计紧凑
  • 低RDS(on),可最大限度地降低导通损耗
  • 低QG 和低电容,可最大限度地降低驱动器损耗
  • 漏极-源极电压:40VDSS
  • 漏极电阻:3.7mΩ
  • 行业标准LFPAK4封装
  • 符合AEC-Q101标准并具有PPAP功能
  • 该器件无铅,符合RoHS指令

性能图表

性能图表 - onsemi NVMYS3D8N04CL功率MOSFET

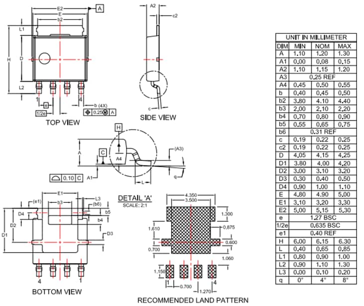
尺寸

机械图纸 - onsemi NVMYS3D8N04CL功率MOSFET
发布日期: 2024-02-22 | 更新日期: 2024-03-10