特性
- 占位面积小 (5mm x 6mm),设计紧凑
- 低RDS(ON),可最大限度地降低导通损耗
- QG 和电容较小,可使驱动器损耗最小化
- 漏极-源极电压(VDSS):60V
- 连续漏极电流(ID):50A(TC = 25°C时)
- 漏极-源极导通电阻(RDS(on)):9.2mΩ
- 行业标准LFPAK4封装
- 符合AEC-Q101标准并具有PPAP功能
- 无铅,符合RoHS指令
应用
- 反向电池保护
- 电源开关(如高侧驱动器、低侧驱动器和半桥)
- 电磁驱动器
- 电机控制
- 负载开关
- 开关电源
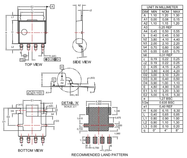
封装尺寸
发布日期: 2024-02-14
| 更新日期: 2024-02-28

