特性
- 8mΩ、1200V M3S碳化硅MOSFET TNPC拓扑
- HPS DBC
- 热敏电阻器
- 带或不带预涂热界面材料 (TIM) 的选项
- 带可焊接引脚和压配引脚的选项
- 无铅、无卤、符合RoHS指令
应用
- 太阳能逆变器
- 不间断电源
- 电动汽车充电站
- 工业电源
规范
- 碳化硅MOSFET
- 零栅极电压漏极电流:300µA(最大值)
- 典型漏极-源极导通电阻:8.5mΩ至15mΩ
- 栅极-源极阈值电压:1.8V至4.4V
- 栅极漏电流:± 600nA
- 典型电容
- 9129pF输入
- 39pF反向传输
- 493pF输出
- 典型总栅极电荷:454nC
- 典型栅极-源极电荷:43nC
- 典型栅极-漏极电荷:101nC
- 典型导通延迟:41.5ns
- 典型上升时间:20.6ns
- 典型关闭延迟时间:137ns
- 15ns 下降时间
- 每脉冲典型开关损耗
- 导通:0.60mJ
- 关断:0.26mJ
- 二极管正向电压:4.0V至4.8V
- 典型热阻
- 芯片对外壳:0.256°C/W
- 0.451°C/W chip-to-heatsink
- 热敏电阻器
- 标称电阻范围:5kΩ至159.5Ω
- R100偏差:±5%
- 典型耗散功率
- 建议限值:0.1mW
- 绝对最大值:34.2mW
- 耗散系数:1.4mW/K
- 典型B值:±2%容差
- B(25/50):3375K
- B(25/100):3436K
- TIM层厚度:160µm ±20µm
- 绝缘
- 最大隔离测试电压:4800VRMS,持续1秒(60Hz时)
- 最大爬电距离:12.7mm
- 最大CTI:600
- HPS基板陶瓷材料,厚0.38mm
- 最大基板弯曲度:0.18mm
- 工作结温范围:-40°C至+150°C
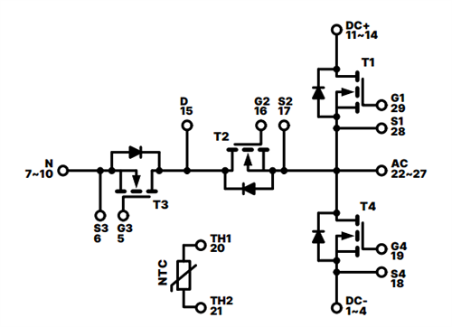
原理图
其他资源
发布日期: 2023-12-19
| 更新日期: 2024-07-31

