特性
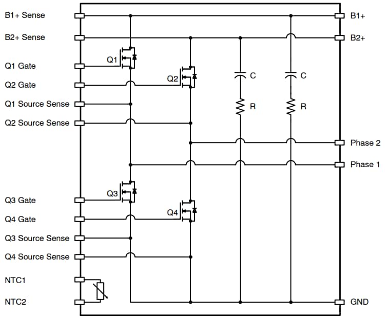
- 双相MOSFET模块(在客户侧,该模块结合双相输出电源端子可用作半桥MOSFET模块)
- 电气隔离的DBC基板实现低Rthjc
- 设计紧凑,实现低模块总电阻
- 简化了车辆装配
- 低热阻
- 电感低
- 漏极-源极电压 (VDS):80V
- 模块串行化,实现完全可追溯性
- 符合AQG324模块级标准:
- 内部元件符合AEC-Q101(MOSFET)和AEC-Q200(无源元件)标准
- 符合 UL 94V-0
- 无铅,符合RoHS指令
应用
- 48 V逆变器
- 48V牵引
方框图
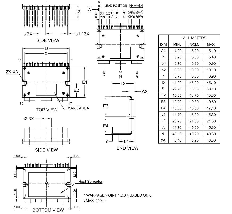
封装尺寸
发布日期: 2024-02-21
| 更新日期: 2024-07-15

