该单片同步降压实现自适应导通时间平均电流模式控制,可产生恒定电压(CV)或恒定电流(CC)输出。该降压兼容分流FET调光技术和CC模式下基于LED矩阵管理器的动态光束前照灯。在CV模式下,自适应导通时间控制功能支持高带宽运行并提供快速瞬态响应。该控制功能可提供近乎恒定的开关频率,频率设置范围为100kHz至1.0MHz。电感器电流检测和闭环反馈功能可在宽输入电压、输出电压和环境温度范围内实现优于±4%的精度。在CC模式下,该降压控制器可使用模拟或PWM调光技术来单独调制LED电流。
UART串行接口与TPS9266x和TPS9254x器件兼容。内部EEPROM可存储系统默认值、校准和照明模块数据。五个可配置MPIO和两个DIO可配置为数字输入或输出或ADC输入。Texas Instruments TPS92542-Q1采用7.0mm×7.0mm热增强型48引脚HTQFP封装,具有顶部外露焊盘。
特性
- 符合汽车应用类AEC-Q100标准
- 1级环境工作温度范围:-40°C至125°C
- 器件人体模型(HBM)分类等级H1C
- 器件CDM分类等级C5
- 支持功能安全,可提供用于功能安全系统设计的文档
- 宽输入电压范围:4.5 V至65 V
- 双通道同步降压,带集成开关
- 可配置恒压(CV)和恒流(CC)运行
- 连续输出电流高达2 A
- 调节精度:4%(电压和电流模式)
- 同步升压控制器,可编程输出电压高达65V
- 升压和降压扩频,用于降低EMI
- 降压开关热保护
- UART串行通信
- 内部振荡器,用于系统时钟
- 兼容LMM
- 内部EEPROM
- 默认设置
- 客户校准数据
应用
- 汽车大灯
- 自适应LED驱动模块
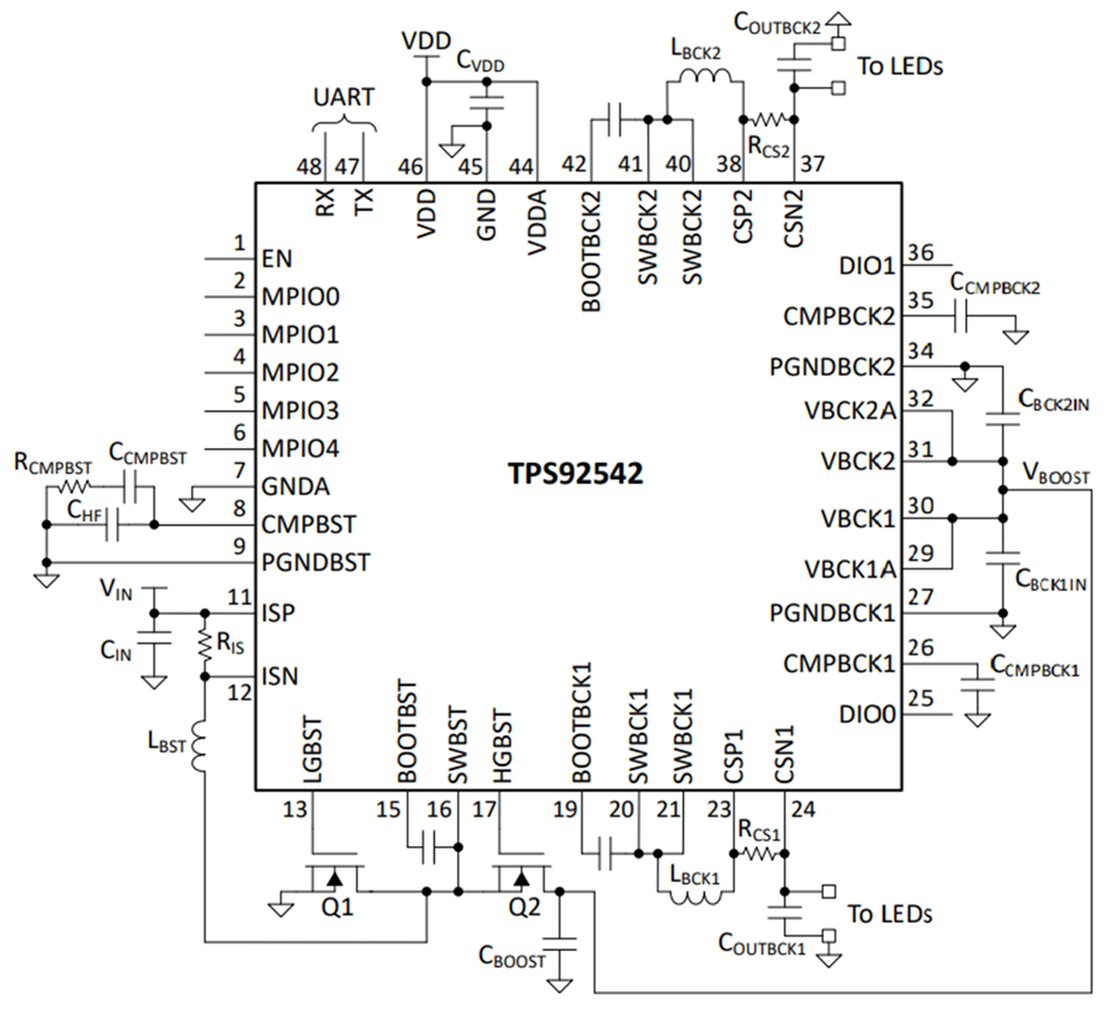
简化原理图
其他资源
发布日期: 2025-03-04
| 更新日期: 2025-12-17

