特性
- VIN 范围:4.5V至21V
- 启动预充电负载,同时避免错误OVP
- 数字软启动斜坡
- 可调式Vboot
- 高阻抗差分输出电压放大器
- 支持双VID表,以兼容IMVP9.2
- 支持大电流扩展
- 动态基准注入
- 可编程输出电压转换率
- 动态 VID 前馈
- 每个相位差分电流检测放大器
- 可编程自适应电压定位(AVP)
- 开关频率范围可调
- 数字稳定开关频率
- 超声波操作
- 支持声音噪声弱化功能
- PSYS输入监控器(SVID地址0D)
- 支持VCCIN_AUX IMON输入
- 符合Intel的IMVP9.2规范
- 电流模式双边缘调制,对瞬态负载提供极速初始响应
- 无铅设备
应用
- 高性能计算 (HPC)
- 游戏及发烧友电脑
- 笔记本电脑和超极本
- 企业和数据中心设备
- 嵌入式系统
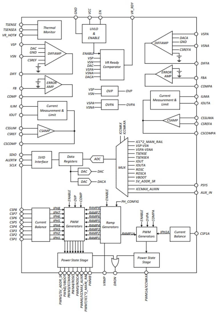
内部方框图
发布日期: 2025-05-20
| 更新日期: 2025-06-19

