Qorvo ACT81460EVK1 评估套件

Qorvo ACT81460EVK1评估套件设计用于评估ACT81460VM101电源管理IC。该评估套件可全面访问每个转换器的输入、输出电压和数字控制信号。借助这些设计特性,该评估套件可配置以匹配实际系统。如果需要,ACT81460EVK1评估板可用作独立电路板。

必要设备

  • USB转I2C加密狗
  • 5V(4A时),满功率运行
  • 示波器:>100MHz >2个通道
  • 电子或电阻负载1 A最小电流能力
  • 数字万用表 (DMM)
  • Windows兼容计算机,带备用USB端口

评估套件设置

应用电路图 - Qorvo ACT81460EVK1 评估套件

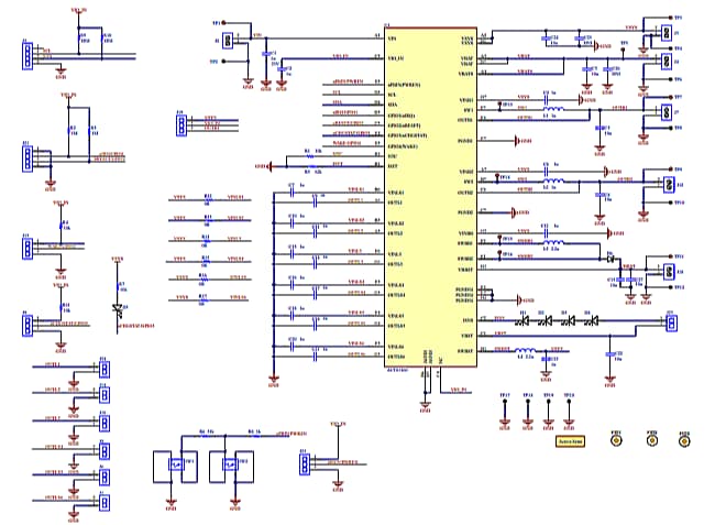
原理图

原理图 - Qorvo ACT81460EVK1 评估套件
发布日期: 2020-03-12 | 更新日期: 2024-08-19