断电保护功能可在输入电源出现故障时提供备用存储电源。内置升压转换器提供高压储能,最大限度地降低储能电容器的尺寸要求。内置补充降压转换器将储能电压调节到固定输出电压。它包含内部背对背eFuse FET,提供双向输入到输出隔离。ACT85610还具有热插拔和浪涌电流控制功能。
Qorvo ACT85610 PMIC采用6mm2 四方扁平无引线 (QFN) 封装,无铅、无卤且符合RoHS指令。
特性
- 高性能功率损耗保护
- 工作输入电压范围:2.7V至14V,具有14.4V过压保护
- 最大输入耐压:20V
- 可调节启动压摆率
- 冲击电流控制
- 可配置电源故障等级
- 可编程10A输入电流限制
- 可编程升压存储电压:5.5V至31V
- 31V(8A时)同步降压,支持100%占空比
- 可编程高达2.25MHz的降压工作频率,适用于小尺寸电感器
- 从输入电源到电容器组电源无法检测的过渡
- 兼容不同类型的储能电容器,包括超级电容器、电解质、钽和POSCAP
- 自主健康监测
- 储能电容器故障早期检测
- 存储电容测量
- 高效PMIC,集成FET
- 四个高压DC-DC降压转换器
- 集成同步功率极
- 效率高达96%
- 针对低至6V输出,优化了12V单级转换
- 出色的动态响应
- 专有COT控制算法
- 小电感器尺寸
- 快速瞬态响应
- 1个高压非同步升压稳压器
- 1个LDO,具有可编程输出电压
- 可配置频率范围:500kHz至2.0MHz
- 接近恒定频率
- 无传感器过流保护 (OCP)
- 输出欠压 (UV) 和过压 (OV) 检测
- 陶瓷电容器稳定
- 系统控制和接口
- 专用功率损耗指示器 (PLI) 引脚
- 六个可编程通用I/O
- I2C串行接口和密码保护
- ADC监测关键信号
- 独立开/关排序
- 重置/电源良好输出
- 通过I2C/GPIO实现可配置轨道开/关
- 输入电源、欠压和过压监控
- 可配置中断,通知主机任何故障/状态变化
- 热警报和保护
- 系统管理
- 多种GPIO功能
- 看门狗监控
- 提供中断功能
- I2C安全位,增强对杂散I2C的抗扰性
- 物理特性
- 工作结温范围:-40 °C至+150 °C
- 结点至环境热阻:35°C/W
- 热增强型FCQFN-52封装
- 封装尺寸:6 mm x 6 mm
应用
- 固态硬盘 (SSD)
- 备用电源
- 热插拔设备
- 工业应用
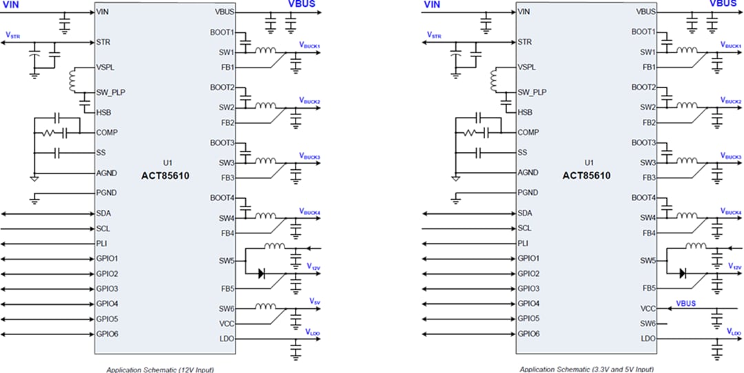
应用原理图
框图
发布日期: 2020-02-03
| 更新日期: 2024-08-19

