套件内容
- EVK组件
- USB转I2C加密狗:
- 加密狗
- 定制4引脚连接器,用于将USB转I2C加密狗连接到EVK组件
必要设备
- ACT85611EVK1-101
- USB转I2C加密狗
- 电源:12V (6A),用于全功率运行
- >100 MHz通道和>4通道示波器
- 电子或电阻,6A最小电流能力负载
- 数字万用表 (DMM)
- 兼容Windows的计算机,带备用USB端口
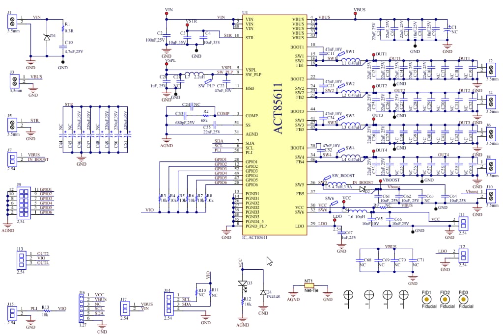
原理图
EVK设置
其他资源
发布日期: 2025-05-12
| 更新日期: 2025-06-06

