Qorvo CMD270P3 4-8GHz低噪声放大器

Qorvo CMD270P3 4-8GHz低噪声放大器是一款宽带MMIC,采用无引线3mm x 3mm塑料表面贴装封装。  Qorvo CMD270P3非常适合用于需要小尺寸和低功耗的通信系统。该宽带器件提供大于16dB的增益,相应输出1dB压缩点为+18dBm,噪声系数为1.7dB。CMD270P3采用50Ω 匹配设计,无需外部DC模块和射频端口匹配。

特性

  • 超低噪声系数
  • 高增益宽带性能
  • 单电源电压:+4.0V(60mA时)
  • 无铅,符合RoHS指令
  • 3 mm x 3 mm QFN封装

应用

  • 电子战 (EW)
  • C波段雷达
  • 空间
  • 卫星通信 (Satcom)
  • 相控阵

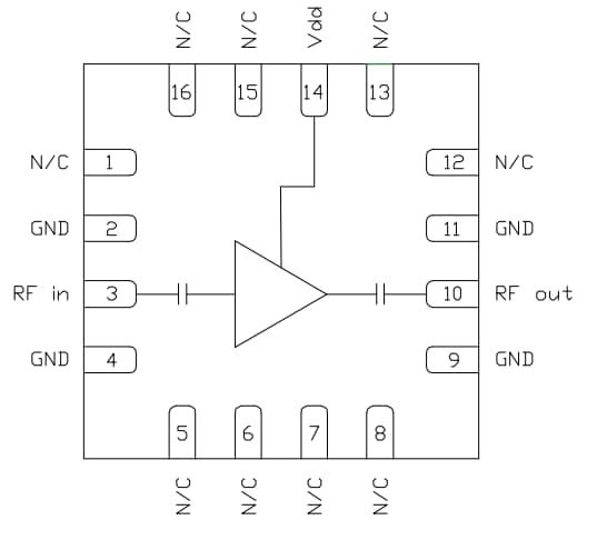
框图

框图 - Qorvo CMD270P3 4-8GHz低噪声放大器
发布日期: 2020-03-24 | 更新日期: 2024-08-20