特性
- 6 GHz至20 GHz频率范围
- 增益:21 dB
- 噪声系数:2dB
- 输入回波损耗:8dB
- 输出回波损耗:12dB
- 功率损耗:900mW
- P1dB输出:15dBm
- IP3输出:25dB
- 电源电流:100mA
- 工作温度范围:-40°C至+85°C
- 3 mm x 3 mm QFN封装
- 无铅,符合RoHS指令
应用
- 电子战 (EW)
- 卫星通信 (Satcom)
- 测试与测量
- 空间
- 相控阵
- 雷达
- C波段
- X波段
- Ku波段
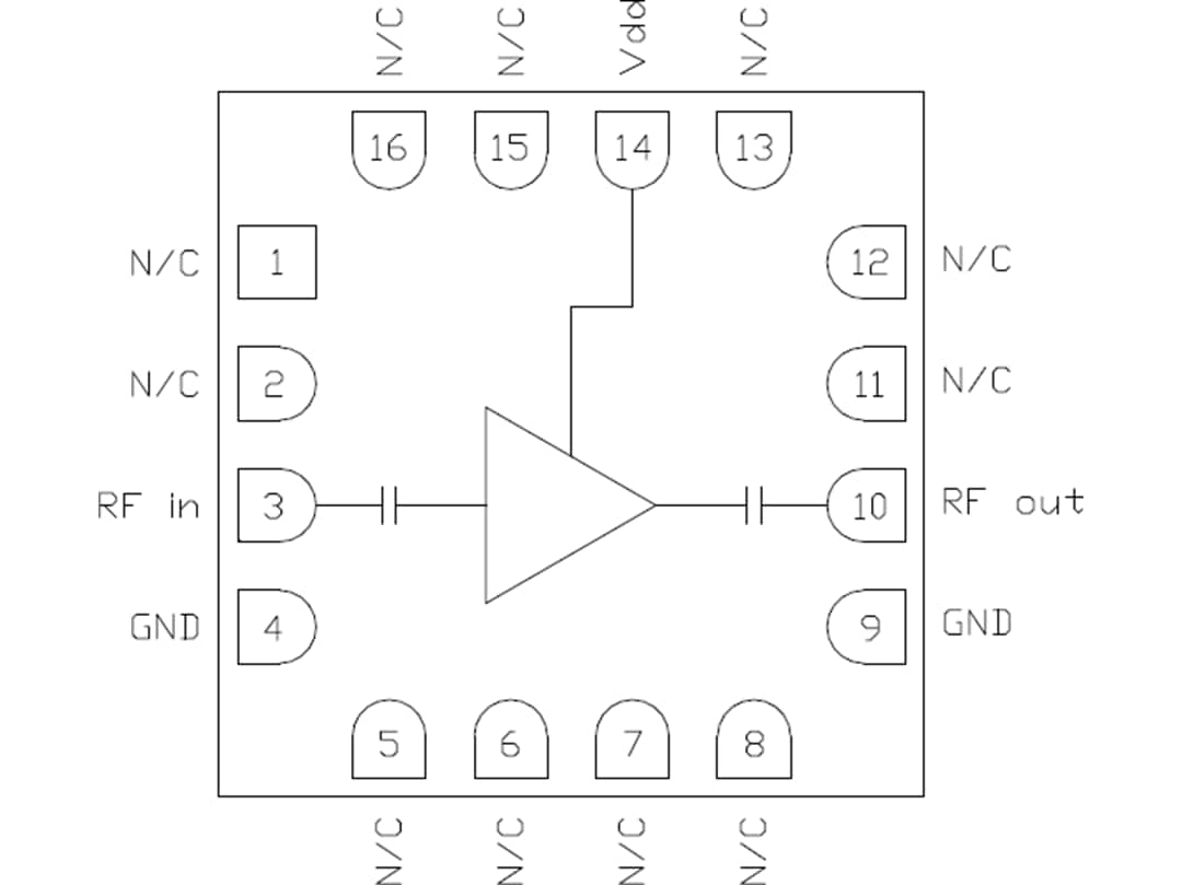
框图
封装外形
发布日期: 2020-06-02
| 更新日期: 2024-08-21

