特性
- 超低噪声系数
- 高增益宽带性能
- 低功耗
- 无铅,符合RoHS指令
- 3 mm x 3 mm QFN封装
应用
- EW
- X波段雷达
- 空间
- 卫星通信
- 相控阵
规范
- 8 GHz至12 GHz频率范围
- 20dB增益
- 噪声系数:0.92dB
- 电源电流:30mA
- 漏极电压:5.5Vdd
- 栅极电压:3.3Vgg
- 功耗:921mW
- 热阻:70°C/W
- 工作温度范围:-40 °C至+85 °C
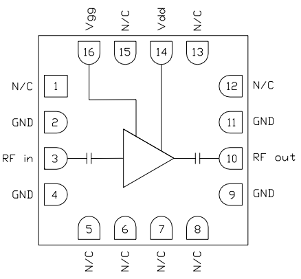
应用电路
框图
发布日期: 2020-05-21
| 更新日期: 2024-09-03

