为了简化系统集成,QPA0524完全匹配至50Ω,具有直流接地I/O端口,可实现最佳ESD性能。该器件100%经过直流和射频测试,以确保符合电气规范。Qorvo QPA0524支持商业和军事市场中的5G线性电源、通信和雷达应用。
特性
- 24.25 GHz至26.5 GHz频率范围
- 线性输出功率(POUT):26dBm)
- ACPR:-30dBc(POUT = 26dBm、802.11ac)
- POUT :37dBm [输入功率(PIN)= 20dBm]
- 功率附加效率(PAE):23%(PIN = 20dBm)
- 小信号增益:23 dBm
- 漏极电流总计:1800mA(最大值)
- 最大功耗:31W
- 偏置:
- VD = 20V
- IDQ = 126mA
- VG = -2.2V典型范围
- 封装尺寸:5.00 mm x 5.50 mm x 1.63 mm
- 工作温度范围:-40 °C至+85 °C
- 无铅,符合RoHS指令
应用
- 5 G 的
- 卫星通信
- 雷达
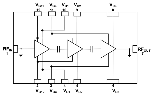
功能框图
发布日期: 2024-07-01
| 更新日期: 2024-07-04

