特性
- 频率范围:2.7GHz至3.5GHz
- 封装尺寸:7mm x 7mm x 0.85mm
- 双通道
- 功耗:117W
- 增益:29.3dB
- 工作电源电压:30V
- 工作温度范围:-40°C至+85°C
规范
- PSAT (PIN=25dBm):> 50dBm
- PAE (PIN=25dBm):> 53%
- 功率增益 (PIN=25dBm):> 25dB
- 偏置:VD= 0V,IDQ = 300mA,PIN=25dBm
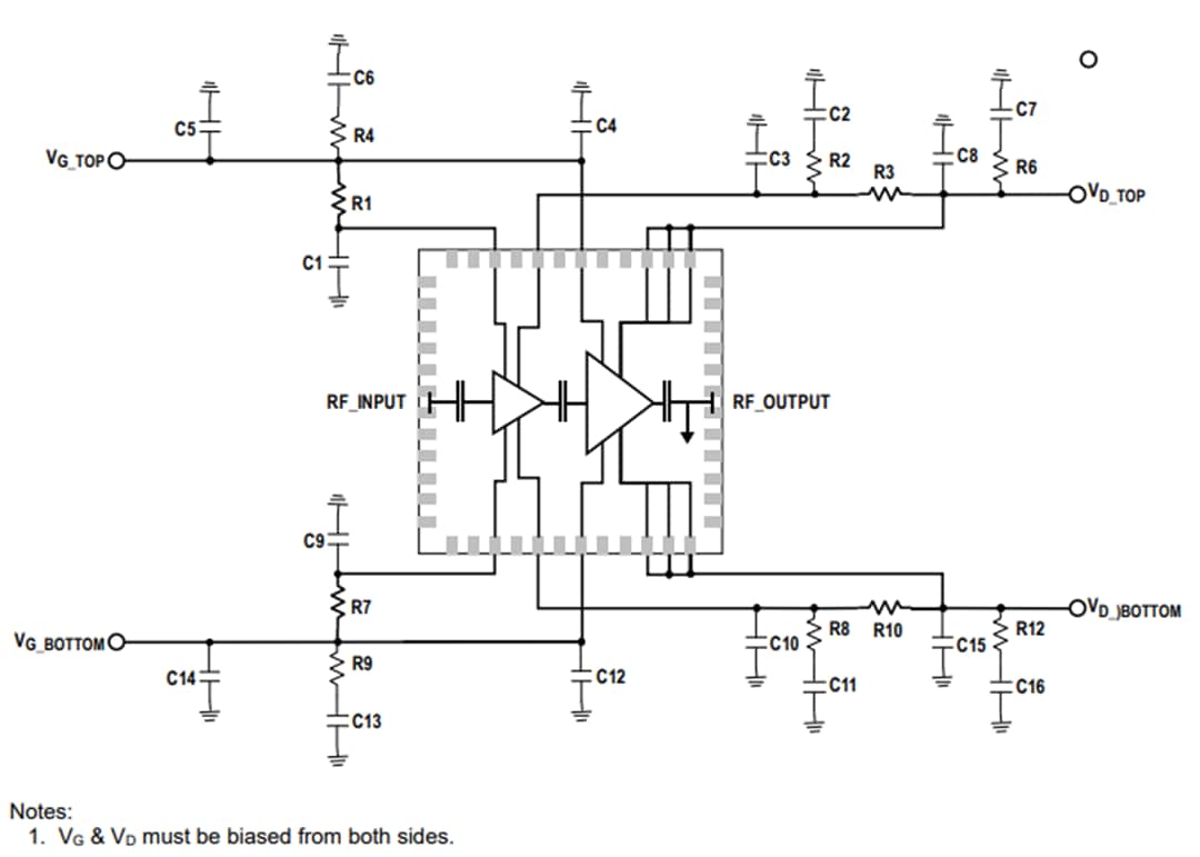
典型应用电路
框图
发布日期: 2019-08-20
| 更新日期: 2023-11-28

