Qorvo QPA9424EVB-01评估板

Qorvo QPA9424EVB-01评估板是用于QPA9424高线性度三级功率放大器的演示和开发平台。QPA9424在2300MHz至2400MHz频率范围(覆盖频带30和频带40)内提供35.8dB的增益和+27dBm的线性功率。利用20MHz LTE信号,该放大器能够在+27dBm输出功率下实现-48.5dBc ACLR。

QPA9424EVB-01评估板设有预先安装的QPA9424,QPA9424采用紧凑的7mm x 7mm无引线表面贴装封装。该评估板设有一个示例应用电路,集成到现有设计中后支持快速进行原型设计。

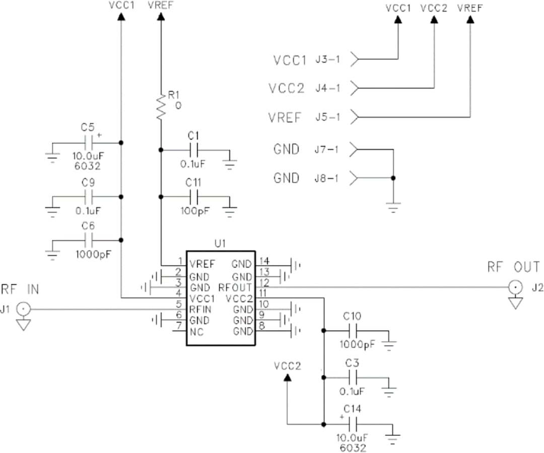
应用电路原理图

原理图 - Qorvo QPA9424EVB-01评估板

视频

发布日期: 2019-09-30 | 更新日期: 2023-12-01