Qorvo QPB8957 CATV射频倍频放大器

Qorvo QPB8957 CATV射频倍频放大器是一款GaAs pHEMT/MESFET 75Ω IC,具有超过28dB的平坦增益和低噪声。该款射频放大器具有高效率、低噪声和低失真,功耗仅为8.4W,采用40引脚5mm x 7mm QFN封装。QPB8957倍频放大器具有可调偏置和出色的复合失真。QPB8957放大器尺寸紧凑,具有低ϴJC,因此适合用于混合模块或混合模块应用的替代方案。典型应用包括DOCSIS 3.0、宽带CATV混合模块、头端CMTS设备以及75Ω放大器。

特性

  • 高增益:1003MHz时为28dB  
  • 可调偏置
  • 带宽:50MHz - 1003MHz
  • 56dBmV/通道虚拟1.0GHz(15dB倾斜)
  • 低噪声:4.5dB
  • 出色的复合失真
  • pHEMT/MESFET器件技术
  • 采用40引脚5mm x 7mm QFN封装,尺寸紧凑
  • 功耗:8.4W(24V、350mA) 
  • 工作温度范围:-40°C至100°C

应用

  • DOCSIS 3.1
  • 宽带CATV混合模块
  • 头端CMTS设备
  • 75Ω放大器

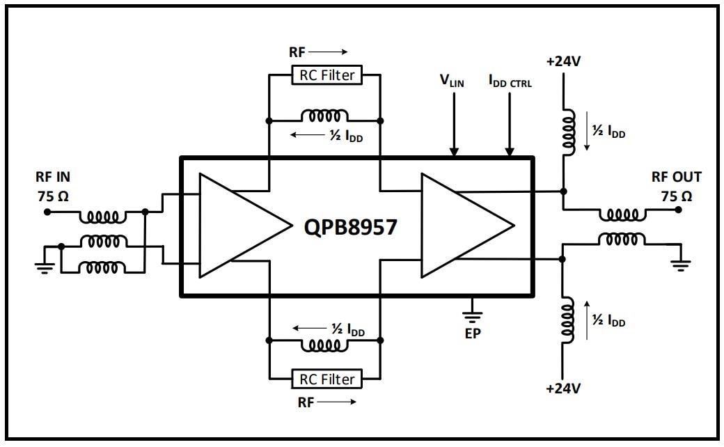
功能框图

框图 - Qorvo QPB8957 CATV射频倍频放大器
发布日期: 2019-03-11 | 更新日期: 2023-11-09