Qorvo QPB8958射频放大器

Qorvo QPB8958射频放大器是一款GaAs假晶高电子迁移率晶体管 (pHEMT)/金属半导体场效应晶体管 (MESFET),采用75Ω推挽式射频放大器。该款IC采用24V单电源,带宽高达1003MHz,设计用于支持DOCSIS 3.1应用。QPB8958射频放大器IC具有超过34dB的平坦增益和4.5dB低噪声。该款放大器IC采用5mm x 7mm QFN封装,具有低噪声、低失真和高效率,功耗仅为5.8W。应用包括DOCSIS 3.1、宽带CATV混合模块、头端CMTS设备以及75Ω放大器。

特性

  • 高增益:34dB (1003MHz)
  • 可调偏置
  • 带宽:50MHz - 1003MHz
  • 每通道46dBmv平坦输出电平
  • 低噪声:4.5dB
  • 出色的复合失真
  • pHEMT/MESFET器件技术
  • 采用40引脚5mm x 7mm QFN封装,尺寸紧凑
  • 260mA条件下的功耗为5.8W

应用

  • DOCSIS 3.1
  • 宽带CATV混合模块
  • 头端CMTS设备
  • 75Ω放大器

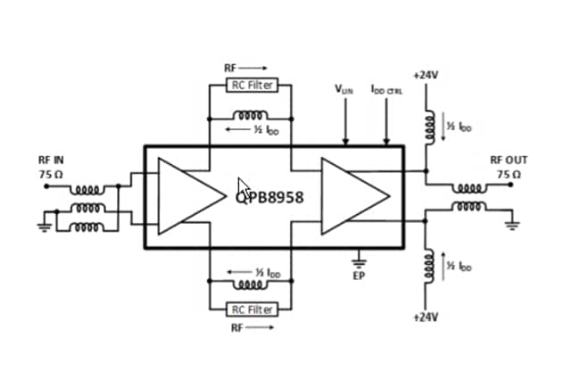
QPB8958功能框图

框图 - Qorvo QPB8958射频放大器

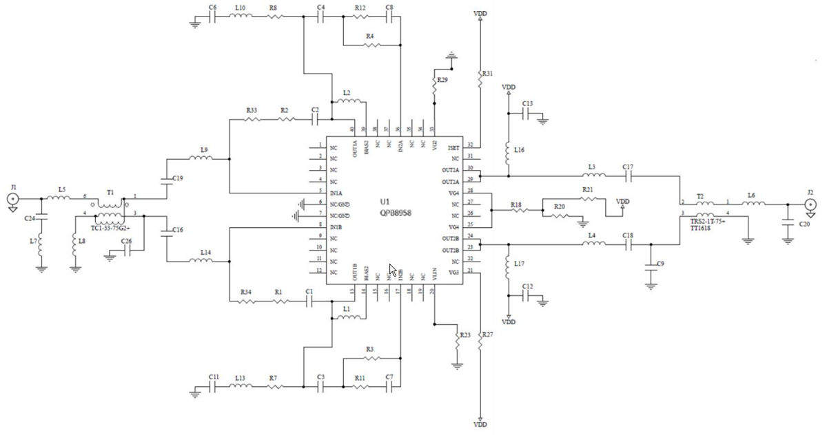
典型应用原理图

原理图 - Qorvo QPB8958射频放大器
发布日期: 2018-11-15 | 更新日期: 2023-02-02