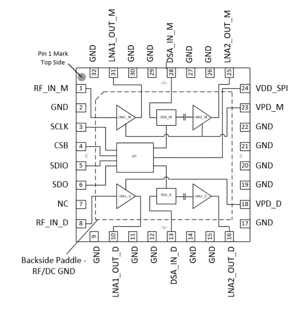
Qorvo QPB9350采用符合RoHS指令的紧凑型5mmx5mm 32引脚表面贴装无引线封装。
特性
- 0.4 GHz至1.0 GHz频率范围
- 集成LNA、DSA
- 双通道配置
- 集成关断功能
- LNA1(0.4dB NF、23dB增益、37dBm OIP3时)
- 31dB增益控制范围,1dB步长
- +5 V 电源电压
- SPI控制接口
- +1.8 V 逻辑兼容
应用
- 无线基础设施
- 分集接收机
- TDD或FDD系统
规范
- 储存温度范围:-55°C至150°C
- +20 dBm射频输入功率、CW、50Ω,T = 25°C
- 反向电源电压:-0.3V
功能框图
发布日期: 2024-05-26
| 更新日期: 2024-06-07

