QPB9351采用符合RoHS指令的紧凑型5mmx5mm 32引脚表面贴装无引线封装。
特性
- 1.7 GHz至2.7 GHz频率范围
- 集成LNA、DSA
- 双通道配置
- 集成关断功能
- LNA1(0.4dB NF、16.5dB增益、38dBm OIP3时)
- 31dB增益控制范围,1dB步长
- +5 V 电源电压
- SPI控制接口
- +1.8V逻辑
应用
- 无线基础设施
- 分集接收机
- TDD或FDD系统
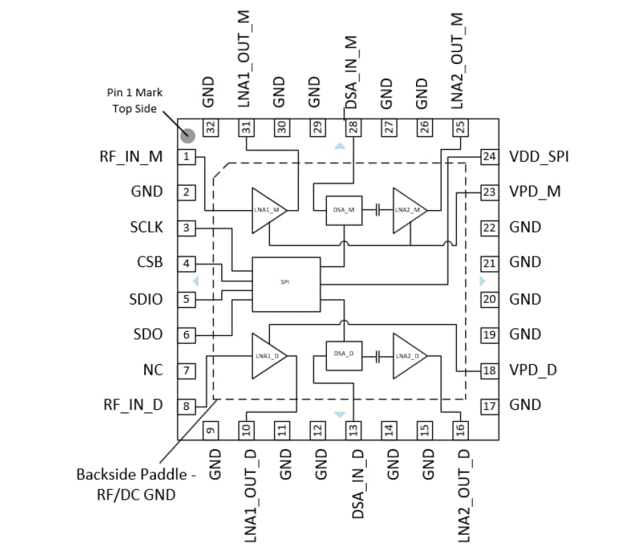
功能框图
发布日期: 2024-05-31
| 更新日期: 2024-06-07

