跳到主内容
免费电话: 400-821-6111
TTI Family of Specialists旗下成员
|
联系Mouser (上海) 免费电话: 400-821-6111
|
反馈
更改位置
中文
English
¥ RMB
中国
请确认您选择的货币:
人民币
国际贸易术语:DDP
所有价格均
包括
关税和海关费用。
大多数订单满¥300 (RMB)即可
免运费
。
贸泽电子 Mouser Electronics - 半导体和电子元器件代理商
全部
过滤搜索
全部
EMI/RFI 器件
MOSFET
二极管与整流器
工业自动化
工具与耗材
工程技术开发工具
开关
内存和数据存储器
计算
电位器
电阻器
电线与电缆
电容器
电感器
电路保护
电源
半导体
机壳产品
压敏电阻
光电子产品
传感器
连接器
变压器
测试与测量
热敏电阻
热管理产品
继电器
晶体管
嵌入式处理器和控制器
嵌入式解决方案
集成电路 - IC
频率控制器和定时装置
微控制器 - MCU
过滤搜索
全部
EMI/RFI 器件
MOSFET
二极管与整流器
工业自动化
工具与耗材
工程技术开发工具
开关
内存和数据存储器
计算
电位器
电阻器
电线与电缆
电容器
电感器
电路保护
电源
半导体
机壳产品
压敏电阻
光电子产品
传感器
连接器
变压器
测试与测量
热敏电阻
热管理产品
继电器
晶体管
嵌入式处理器和控制器
嵌入式解决方案
集成电路 - IC
频率控制器和定时装置
微控制器 - MCU
打开建议
库存量
RoHS
产品
新品速递
LED照明元件
工业自动化
工具与耗材
工程工具
无源元件
内存和数据存储器
电线与电缆
电路保护
电源
半导体
机电产品
机壳产品
光电子产品
传感器
连接器
测试与测量
热管理产品
射频与无线产品
嵌入式解决方案
查看所有产品
制造商
服务和工具
技术资源
帮助
菜单
帐户和订单
登录
新客户?
从这里开始
订单历史
登录
新客户?
从这里开始
按类别
购买新产品
查看所有新品
开发工具
嵌入式解决方案
半导体
光电子产品
电路保护
无源元件
传感器
连接器
电线与电缆
机电产品
热管理产品
电源
机壳产品
测试与测量
工具与供应
主页
产品
新品速递
制造商
服务和工具
技术资源
帮助
联系我们
主菜单
所有产品类别
所有产品类别
LED照明元件
工业自动化
工具与耗材
工程工具
无源元件
内存和数据存储器
电线与电缆
电路保护
电源
半导体
机电产品
机壳产品
光电子产品
传感器
连接器
测试与测量
热管理产品
射频与无线产品
嵌入式解决方案
购物车包含定期发货商品
制造商
制造商编号:
数量
总价(含13%增值税)
制造商零件编号
制造商:
描述:
数量:
购物车小结
* 您的购物车包含错误。
查看购物车
未结余额指根据您选择的付款方式目前应当支付而尚未支付的所有费用。
大多数订单满¥300 (RMB)即可
免运费
。
继续购物
查看购物车
* 您的购物车包含错误。
不再显示,直接进入购物车。
主页
新品速递
制造商新动向
Qorvo
QPC7335射频开发工具 - Qorvo
返回Qorvo
Qorvo QPC7335射频开发工具
放大
查看详情
Qorvo详情
查看数据手册
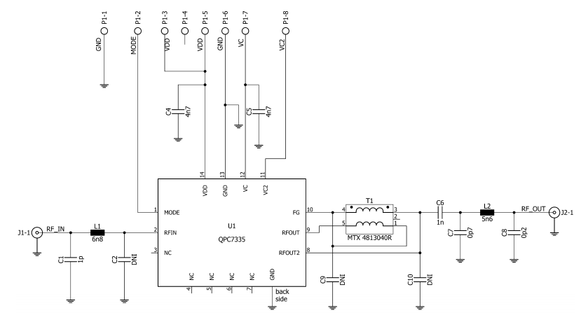
Qorvo QPC7335射频开发工具设计用于评估工作频率带宽范围为45MHz至1002MHz的QPC7335可变均衡器。这些Qorvo均衡器具有低功耗、18dB斜率范围和低插入损耗。
原理图
相关均衡器
Qorvo QPC7335可变均衡器
高线性度均衡器,工作带宽为45MHz至1002MHz,功耗低。
Learn More
关于Qorvo QPC7335可变均衡器
View Products
与Qorvo QPC7335可变均衡器相关
放大
查看详情
Qorvo详情
查看数据手册
快速链接
原理图
相关均衡器
返回顶部
Qorvo
发布日期: 2020-05-11 | 更新日期: 2024-08-21