Qorvo QPC7336评估板
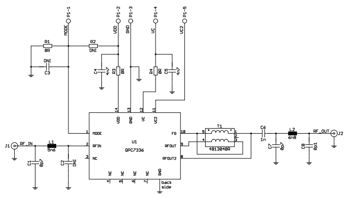
Qorvo QPC7336评估板设计用于评估QPC7336压控可变均衡器。该板的工作带宽范围为45MHz至1218MHz。QPC7366评估板在5V单电源电压下工作。该评估板及均衡器适用于有线电视 (CATV) 放大器和传输系统应用。
特性
- 评估QPC7366可变均衡器
- 45MHz至1218MHz工作带宽
- 5V单电源电压
Qorvo QPC7336可变均衡器
具有高线性度、低插入损耗和45MHz至1218MHz的工作带宽。
发布日期: 2018-05-03
| 更新日期: 2023-01-31