Qorvo QPC7337PCBA评估板

Qorvo QPC7337PCBA评估板是用于QPC7337PCBA电压可变均衡器的演示和开发平台。QPC7337优化用于284MHz至1794MHz之间的DOCSIS 4.0 ESD下行路径应用。QPC7337具有17dB斜率范围、低插入损耗、高线性度和75Ω阻抗,用于CATV应用。该器件采用5V单电源供电,电源电流低至3mA。   

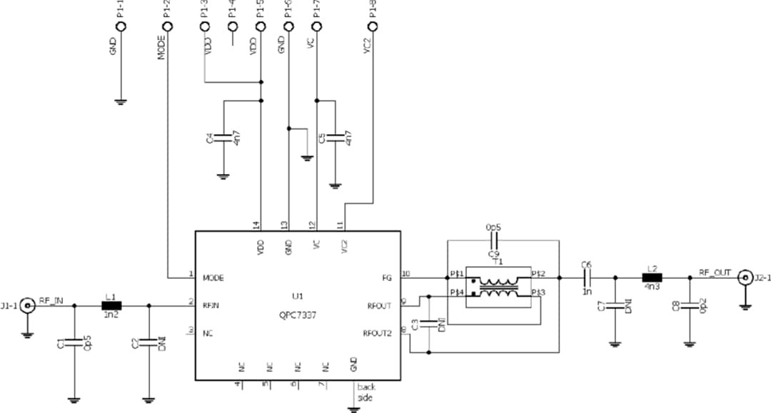
Qorvo QPC7337PCBA评估板预装有采用14引脚多芯片模块 (MCM) 封装的QPC7337,连同支持电路以及用于射频输入和射频输出的两个75Ω F连接器。该评估板设有一个示例应用电路,集成到现有设计中后支持快速进行原型设计。

示意图

原理图 - Qorvo QPC7337PCBA评估板
发布日期: 2021-08-18 | 更新日期: 2022-03-11