Qorvo QPD1029L GaN射频IMFET晶体管

Qorvo QPD1029L GaN射频内部匹配FET (IMFET) 晶体管是一款1500W (P3dB) 分立式碳化硅基氮化镓高电子迁移率晶体管 (HEMT)。此射频IMFET的工作频率范围为1.2GHz至1.4GHz。QPD1029L晶体管可轻松实现与外部电路板匹配,并且节省电路板空间。此Qorvo晶体管是符合RoHS指令的器件。QPD1029L IMFET晶体管器件采用行业标准气腔封装,非常适合用于雷达。

特性

  • 1.2 GHz至1.4 GHz频率范围
  • 输出功率 (P3dB):1500W(1.3GHz负载拉力时)
  • 线性增益:21.3dB(1.3GHz负载拉力时)
  • 典型PAE3dB :75%(1.3GHz负载拉力时)
  • 工作电压:65V
  • 连续波 (CW) 和脉冲功能

应用

  • L波段雷达放大器
  • 雷达

框图

框图 - Qorvo QPD1029L GaN射频IMFET晶体管

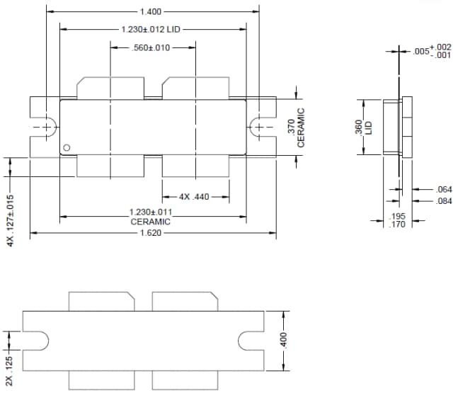
机械标示图纸(英寸)

机械图纸 - Qorvo QPD1029L GaN射频IMFET晶体管
发布日期: 2020-07-20 | 更新日期: 2024-08-23