Qorvo QPL7433采用紧凑型2mmx2mm DFN封装,具有低噪声、低失真和高增益等特点,非常适合空间受限的应用。
特性
- 50 MHz至3.3 GHz频率范围
- 在整个带宽上的增益高达17.5 dB
- 5 V、90 mA低功耗
- 噪声系数:1.5dB(典型值)
- 反向隔离:20dB
- 输出回波损耗:15 dB
- 可通过外部电阻器调节偏置
- 工作温度范围:-40°C至+85°C
- 储存温度范围:-65°C至+150°C
- DFN-8封装类型
- 封装尺寸:2mm x 2mm
- 符合RoHS指令
应用
- 电缆、地面和卫星
- 扩展频谱DOCSIS
- CATV节点和放大器
- 卫星低噪声放大器
- 电缆调制解调器和机顶盒
- 单端增益模块
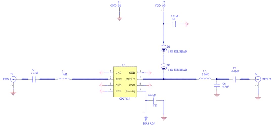
典型应用电路
引脚指示
封装外形
发布日期: 2020-02-24
| 更新日期: 2024-09-06

