跳到主内容
免费电话: 400-821-6111
TTI Family of Specialists旗下成员
|
联系Mouser (上海) 免费电话: 400-821-6111
|
反馈
更改位置
中文
English
¥ RMB
中国
请确认您选择的货币:
人民币
国际贸易术语:DDP
所有价格均
包括
关税和海关费用。
大多数订单满¥300 (RMB)即可
免运费
。
贸泽电子 Mouser Electronics - 半导体和电子元器件代理商
全部
过滤搜索
全部
EMI/RFI 器件
MOSFET
二极管与整流器
工业自动化
工具与耗材
工程技术开发工具
开关
内存和数据存储器
计算
电位器
电阻器
电线与电缆
电容器
电感器
电路保护
电源
半导体
机壳产品
压敏电阻
光电子产品
传感器
连接器
变压器
测试与测量
热敏电阻
热管理产品
继电器
晶体管
嵌入式处理器和控制器
嵌入式解决方案
集成电路 - IC
频率控制器和定时装置
微控制器 - MCU
过滤搜索
全部
EMI/RFI 器件
MOSFET
二极管与整流器
工业自动化
工具与耗材
工程技术开发工具
开关
内存和数据存储器
计算
电位器
电阻器
电线与电缆
电容器
电感器
电路保护
电源
半导体
机壳产品
压敏电阻
光电子产品
传感器
连接器
变压器
测试与测量
热敏电阻
热管理产品
继电器
晶体管
嵌入式处理器和控制器
嵌入式解决方案
集成电路 - IC
频率控制器和定时装置
微控制器 - MCU
打开建议
库存量
RoHS
产品
新品速递
LED照明元件
工业自动化
工具与耗材
工程工具
无源元件
内存和数据存储器
电线与电缆
电路保护
电源
半导体
机电产品
机壳产品
光电子产品
传感器
连接器
测试与测量
热管理产品
射频与无线产品
嵌入式解决方案
查看所有产品
制造商
服务和工具
技术资源
帮助
菜单
帐户和订单
登录
新客户?
从这里开始
订单历史
登录
新客户?
从这里开始
按类别
购买新产品
查看所有新品
开发工具
嵌入式解决方案
半导体
光电子产品
电路保护
无源元件
传感器
连接器
电线与电缆
机电产品
热管理产品
电源
机壳产品
测试与测量
工具与供应
主页
产品
新品速递
制造商
服务和工具
技术资源
帮助
联系我们
主菜单
所有产品类别
所有产品类别
LED照明元件
工业自动化
工具与耗材
工程工具
无源元件
内存和数据存储器
电线与电缆
电路保护
电源
半导体
机电产品
机壳产品
光电子产品
传感器
连接器
测试与测量
热管理产品
射频与无线产品
嵌入式解决方案
购物车包含定期发货商品
制造商
制造商编号:
数量
总价(含13%增值税)
制造商零件编号
制造商:
描述:
数量:
购物车小结
* 您的购物车包含错误。
查看购物车
未结余额指根据您选择的付款方式目前应当支付而尚未支付的所有费用。
大多数订单满¥300 (RMB)即可
免运费
。
继续购物
查看购物车
* 您的购物车包含错误。
不再显示,直接进入购物车。
主页
新品速递
制造商新动向
Qorvo
QPX0001 6-26GHz I/Q混频器 - Qorvo
返回Qorvo
Qorvo QPX0001 6-26GHz I/Q混频器
放大
查看详情
Qorvo详情
查看数据手册
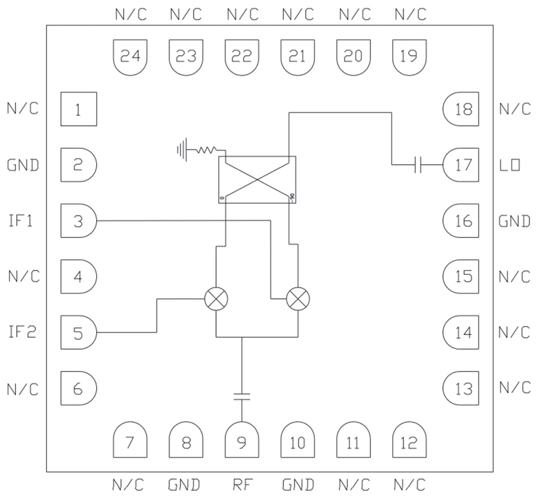
Qorvo QPX0001 6-26GHz I/Q混频器是一款紧凑型宽带I/Q GaAs混频器,采用3.9mm x 3.9mm气腔表面贴装陶瓷封装。该混频器的工作带宽范围为6GHz至26GHz,可配置为镜像抑制混频器、单边带上变频器或QPSK调制器/解调器。QPX0001在MMIC上使用两个双平衡混频器单元和一个90⁰混合器件。需要一个外部90⁰ IF混合器件,完成镜像抑制或边带抑制。Qorvo QPX0001是高成本混合I/Q混频器和单边带上变频器组件的小型替代产品。
特性
I、Q输出
射频LO频率范围:6GHz至26GHz
IF频率范围:直流至3GHz
低转换损耗:8dB(14GHz时)
高镜像抑制:25dB
高LO/RF隔离:>45dB(14GHz时)
宽工作带宽
封装尺寸:3.9mm x 3.9mm x 0.9mm
应用
镜像抑制下变频
单边带调制
低噪声接收器系统
相位检测
电子对抗 (EW)
QPSK调制/解调
功能框图
放大
查看详情
Qorvo详情
查看数据手册
快速链接
特性
应用
功能框图
返回顶部
Qorvo
发布日期: 2021-05-28 | 更新日期: 2022-03-11