该设计在无外部施加直流偏置(DC bias)时,有效消除了射频(RF)信号路径中对外部直流(DC)阻断电容器的需求;同时它集成了2000V 人体模型(HBM)静电放电(ESD)防护能力,提升了耐用性。这款开关适用于LTE、WCDMA、CDMA、CATV、SATV、功放后级(post-PA)信号路由以及通用射频(RF)开关等多种应用场景。RFSW1012 采用了尺寸为2mm × 2mm × 0.55mm的紧凑型12引脚QFN封装,特别适合用于空间布局要求严苛且需兼顾高性能与多功能的设计场景。
特性
- 5 MHz 至 6000 MHz 操作
- 50Ω或75Ω应用
- 低插入损耗:0.30 dB(1980 MHz时)
- 高隔离:37 dB(2 GHz时)
- 高IP3:>75 dBm(2 GHz时)
- 兼容低电压逻辑(VHIGHminimum = 1.3V)
- 除非外部施加了DC,否则RF信号路径上无需使用外置DC阻塞电容器
- 所有端口上2000 V HBM ESD额定值
- >100dBc CTB/CSO(41dBmV/ch., 137个频道)
- 尺寸为2mm x 2mm的12引脚无引线QFN封装
应用
- LTE、WCDMA及GSM
- 有线电视和卫星电视
- 后级功率放大器切换
- 通用开关
规范
- 50 Ω系统
- 工作频率范围:5 MHz至6000 MHz
- 典型插入损耗范围:0.25dB至0.45dB
- 典型RFC-RFX隔离范围:21dB至45dB
- 典型RF1-RF2隔离范围:21dB至42dB
- 典型导通状态回波损耗:>15dB
- 输入IP3:75 dBm(典型值)
- 典型输入IP2:129dBm
- 最大工作引脚范围(负载为50Ω时):30dBm至36dBm
- 最小P0.1dB(>100 MHz时):41dBm
- 最大二次和三次谐波:-75dBc
- 典型杂散信号输出范围:<><>
- 最大输入功率范围:34 dBm至36 dBm
- 设备电压范围:2.7V至4.6V
- 最大漏电流范围:20µA至200µA
- 最大控制电压范围:0.45V至2.7V
- 最大控制电流范围:3µA至5µA
- 最大切换速度:5µs
- 75 Ω系统
- 工作频率范围:5 MHz至2500 MHz
- 典型插入损耗范围:0.15dB至0.45dB
- 典型RFC-RFX隔离范围:26dB至70dB
- 典型RF1-RF2隔离范围:32dB至>70dB
- 典型导通状态回波损耗范围:>13 dB至>15 dB
- 典型CSO(41dBmV/ch,137个频道):>100dBc
- 典型CTB(41dBmV/ch,137个频道):>100dBc
- 典型XMOD(41dBmV/ch,137个频道):>90dBc
- 最大工作输入功率范围(负载为75Ω时):30dBm至36dBm
- 外壳工作温度范围:-40 °C至+90 °C
- 最高工作结温:+125 °C
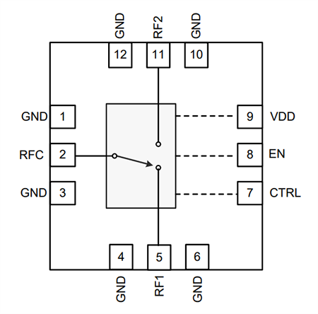
方框图
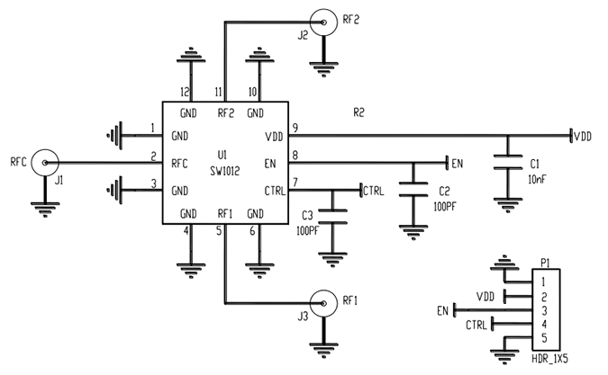
应用电路原理图
发布日期: 2026-01-19
| 更新日期: 2026-01-26

