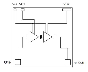
Qorvo TGA2962宽带功率放大器
Qorvo TGA2962宽带功率放大器采用Qorvo的QGaN15碳化硅 (SiC) 基GaN工艺制造而成。该放大器设计用于在2 GHz至20 GHz频率带宽范围内工作,具有10 W饱和功率和13 dB大信号增益。TGA2962功率放大器还可在22V漏极偏置时提供22%功率附加效率。宽带、功率、增益和效率的这种组合使系统设计人员能够提高系统性能,同时减小尺寸并降低成本。TGA2962放大器非常适用于宽带通信系统、军事、电子对抗、测试仪器和雷达应用。
特性
- 频率范围:2GHz至20GHz
- 饱和功率:10 W
- 功率增益:13dB(27dBm PIN)
- 小信号增益:20 dB
- PSAT :40dBm(27dBm PIN)
- 功率附加效率:> 22%(27dBm PIN)
- 工作温度范围:-40 °C至+85 °C
- 偏置:
- 漏极电压(VD):22V
- 漏极电流(IDQ):1680mA
- 裸片尺寸:3.24 mm x 3.24 mm x 0.10 mm
相关放大器
一款宽带功率放大器,采用QGaN15碳化硅(SiC)基氮化镓工艺制造而成。
Allow unique, cost-effective solutions across a variety of applications.
相关电路板
评估采用Qorvo QGaN15 GaN工艺制造而成的TGA2962功率放大器。
发布日期: 2020-02-27
| 更新日期: 2024-08-16