特性
- 4:1超宽输入范围
- 输入欠压锁定
- 过压保护
- 短路保护
- 过载继电器保护
- 远程开/关
应用
- 铁路系统
- 电池管理系统
- 物联网传感器
- 电动叉车
- 高压电池应用
规范
- 3kVAC、1分钟的增强隔离
- 36VDC至160VDC输入电压范围
- -40°C至+105°C工作温度范围,无降额
- 紧凑型DIP24封装
- 通过面向铁路应用的认证 (EN50155)
- 功率额定值
- RP03-RAW - 3W
- RP06-RAW - 6W
- RP10-RAW - 10W
ON/OFF CONTROL
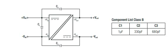
EMC Filtering Suggestions per EN5503/35
视频
发布日期: 2022-11-18
| 更新日期: 2024-03-22

