RECOM Power RPZ-x-EVM-1 Evaluation Modules
RECOM Power RPZ-x-EVM-1 Evaluation Modules are ready-to-go evaluation platforms for the RPZ-0.5, RPZ-1.0, RPZ-2.0, RPZ-3.0A, and RPZ-6.0 Buck Regulator Modules. The evaluation modules offer an output voltage selection from 1V to 3.3V, control, power good, soft-start, and sensing functions. The RPZ-x-EVM-1 modules feature a class B EMI filter with thermal design considerations to optimize performance. The RECOM Power RPZ-x-EVM-1 Evaluation Modules are ideal for industrial controllers, microprocessors, microcontrollers, and industrial Internet of Things (IoT).Features
- Evaluation platform for the RPZ-0.5, RPZ-1.0, RPZ-2.0, RPZ-3.0A, and RPZ-6.0 Buck Regulator Modules
- Thermal design considerations
- EMI Class B filter
- Evaluates output voltage selection, control, power good, soft-start, and sensing functions
Applications
- Industrial controllers
- Microprocessors
- Microcontrollers
- Industrial IoT
Specifications
- 2.3VDC to 7VDC input voltage range
- Output voltage pre-selects
- 1VDC, 1.2VDC, 1.8VDC, 2.5VDC, 3.3VDC
- 500mA to 6000mA max output current rating
- 900kHz to 3000kHz switching frequency
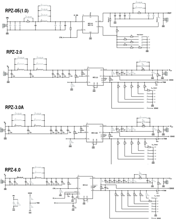
Schematics
发布日期: 2024-05-29
| 更新日期: 2024-05-30
