Renesas Electronics ISL9238降压-升压窄输出电压直流 (NVDC) 充电器
Renesas/Intersil ISL9238降压-升压NVDC充电器具有NVDC(窄输出电压直流)充电、系统总线调节及保护特性,适用于平板电脑、超级本、笔记本电脑、移动电源及任何USB-C接口平台。Intersil先进的R3™技术用于提供较高的轻负载效率和快速瞬态响应。在充电模式下,ISL9238 可从各种直流电源获得输入功率。然后安全地为最多带有 4 节锂离子电池的电池组充电。作为 NVDC 拓扑充电器,它还能将系统输出调节到窄直流范围,从而实现稳定的系统总线电压。系统电源可由适配器、电池或两者的组合提供。ISL9238可以在仅使用电池、仅使用适配器或连接两者的情况下工作。特性
- Buck-boost NVDC charger for 1, 2, 3, or 4-cell Li-ion batteries
- 3.2V to 23.4V (no dead zone) input voltage range
- 2.4V to 18.304V system output voltage
- Autonomous charging option (automatic end of charging)
- System power monitor PSYS output, IMVP compliant
- Up to 1MHz switching frequency
- Adapter current and battery current monitor (AMON/BMON)
- PROCHOT# open-drain output, IMVP compliant
- Allows trickle charging of depleted battery
- Ideal diode control in Turbo mode
- Reverse buck, boost, and buck-boost operation from battery
- Two-level adapter current limit available
- Battery Ship mode option
- SMBus and auto-increment I2C compatible
- Package 4x4 32 Lead TQFN
应用
- 1 to 4-cell tablet
- Ultrabook
- Notebook
- Power bank
- Any USB-C interface portable device requiring batteries
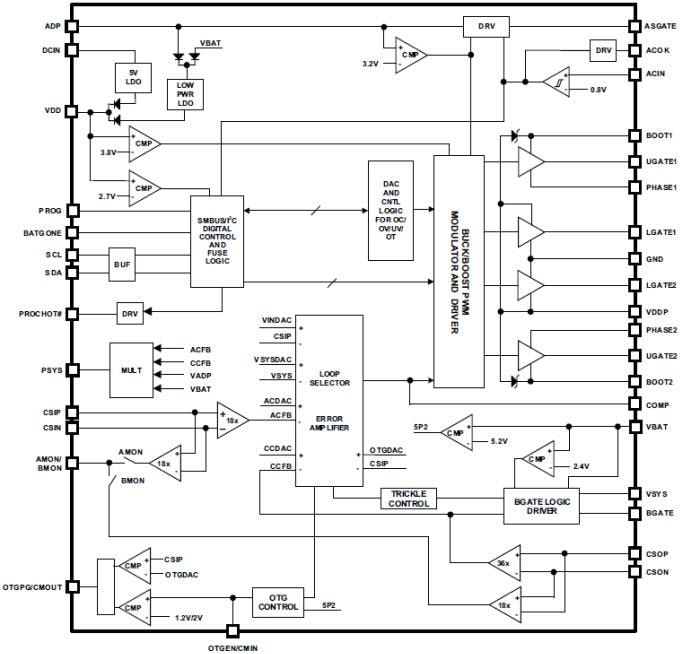
Block Diagram
发布日期: 2016-12-07
| 更新日期: 2025-05-22
